EasyManua.ls Logo

Broaster 1800 - 1600;1800 E Solid State

Broaster 1800
131 pages
Print Icon
To Next Page IconTo Next Page
To Next Page IconTo Next Page
To Previous Page IconTo Previous Page
To Previous Page IconTo Previous Page
Loading...
2-10
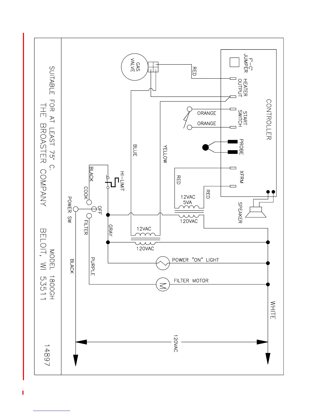
1800GH Solid State:
broaster.com Manual #14680 3/99 Rev 9/14

Table of Contents

Other manuals for Broaster 1800

Related product manuals