EasyManua.ls Logo

Broaster 1800 - Page 33

Broaster 1800
131 pages
Print Icon
To Next Page IconTo Next Page
To Next Page IconTo Next Page
To Previous Page IconTo Previous Page
To Previous Page IconTo Previous Page
Loading...
2-15
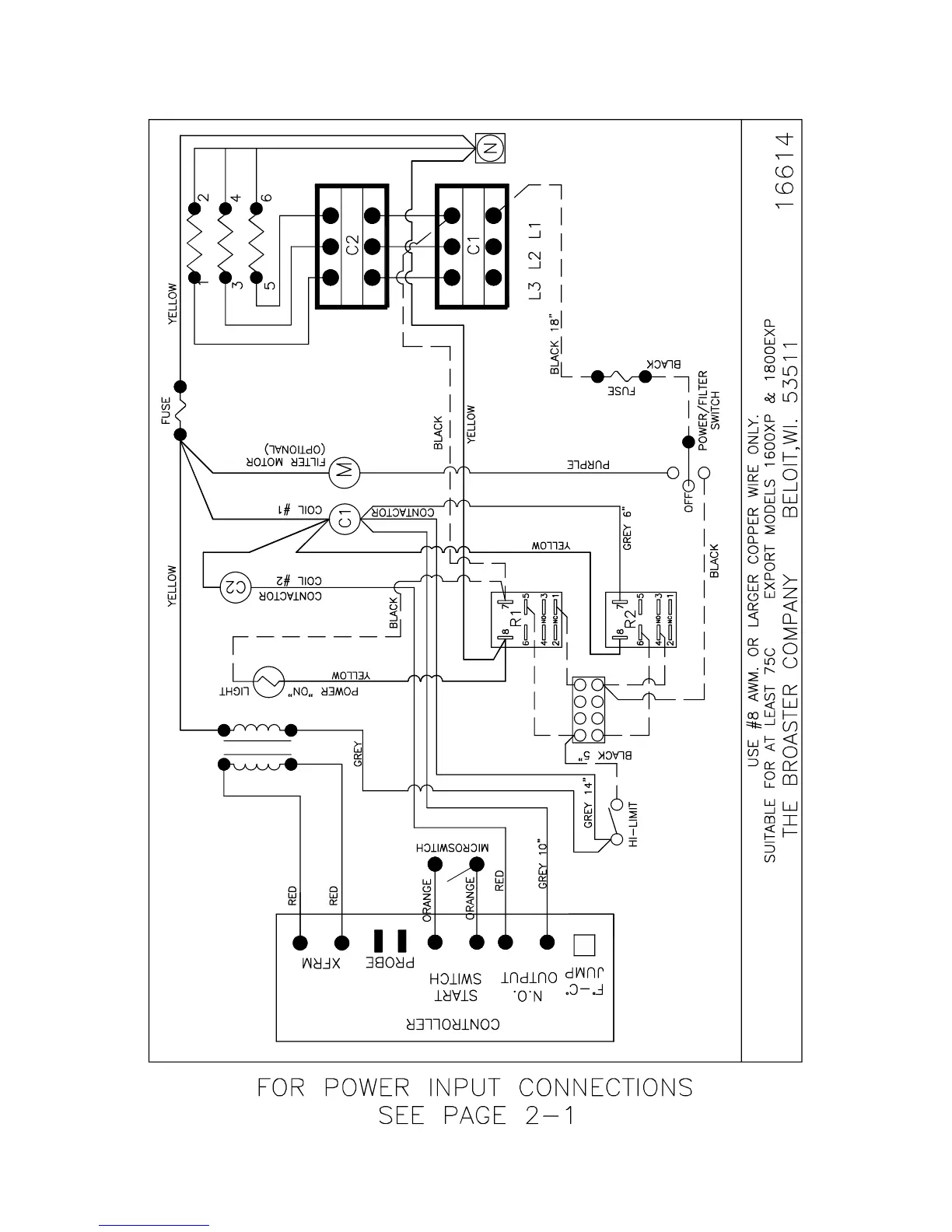
EXPORT: 1600XP/1800EXP Solid State: Effective SE6A700013
SE8A700011
broaster.com Manual #14680 3/99 Rev 5/14

Table of Contents

Other manuals for Broaster 1800

Related product manuals