EasyManua.ls Logo

Brother DCP-J752DW

Brother DCP-J752DW
329 pages
To Next Page IconTo Next Page
To Next Page IconTo Next Page
To Previous Page IconTo Previous Page
To Previous Page IconTo Previous Page
Loading...
3-89
Confidential
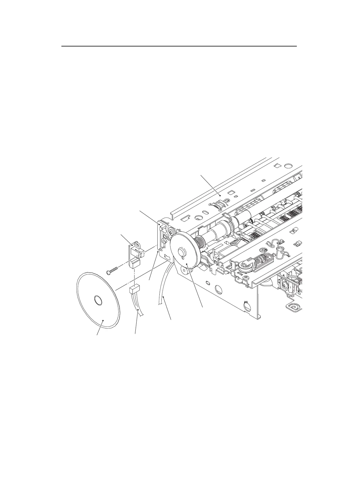
PF encoder disk, PF encoder sensor PCB ASSY, and PF/registration sensor harness ASSY
*
* The PF/registration sensor harness ASSY consists of a PF encoder sensor
harness and registration sensor harness.
(10) If the PF encoder disk needs to be replaced, peel it off from the paper feed roller gear L.
Note
Once removed, the PF encoder disk will become unusable and will have to be replaced
with a new one.
Remove any adhesive remaining left on the paper feed roller gear L.
(11) Remove the screw of the SCREW BIND M2x10 then remove the PF encoder sensor PCB
ASSY.
If the PF encoder sensor harness has not been disconnected from the PCB in Step (7),
disconnect it to completely separate the PF/registration sensor harness ASSY from the engine
unit.
Assembling Note It is more convenient to use a spatula when attaching the PF encoder disk to the
paper feed roller gear L. Wear clean gloves to protect the disk surface from dust or fingerprints.
(3_114)

Table of Contents

Other manuals for Brother DCP-J752DW

Related product manuals