EasyManua.ls Logo

Canon MVX10 - Page 38

Canon MVX10
163 pages
Print Icon
To Next Page IconTo Next Page
To Next Page IconTo Next Page
To Previous Page IconTo Previous Page
To Previous Page IconTo Previous Page
Loading...
38
Mastering
the Basics
E
4. If connecting to a TV, set the input selector to VIDEO. If connecting to a
VCR, set the input selector to LINE.
The supplied PC-A10 SCART Adapter is for output only. For analog line-in
recording or analog-digital conversion, please use a SCART Adapter with input
capability (commercially available).
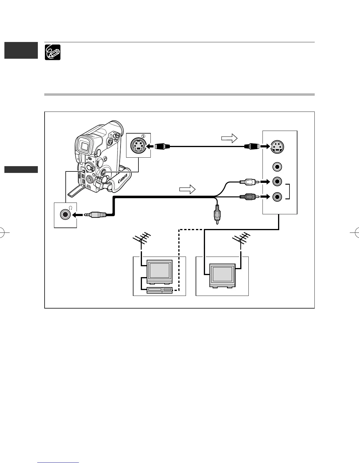
TVs with S (S1)-Video Input Terminal
Refer also to the TV or VCR instruction manual.
1. Turn off all devices before starting the connections.
2. Connect the S-150 S-video Cable to the S-video terminals.
3. Connect the STV-250N Stereo Video Cable to the camcorder’s AV
terminal and the audio terminals of the TV/VCR.
Connect the white plug to the white AUDIO terminal L (left), and the red plug to the
red AUDIO terminal R (right). Do not connect the yellow plug.
4. If connecting to a TV, set the input selector to VIDEO. If connecting to a
VCR, set the input selector to LINE.
VIDEO
S(S1)-VIDEO
INPUT
AUDIO
R
L
AV IN/OUT
S-150 S-video Cable (supplied)
STV-250N Stereo Video Cable
(supplied)
Signal flow
Signal flow
2_D76PAL_E(13-40) 26/06/03 12:00 Page 38

Table of Contents

Related product manuals