EasyManua.ls Logo

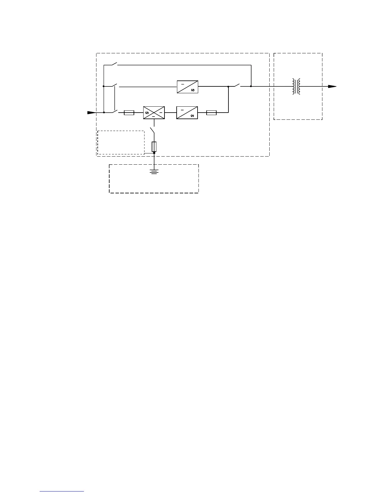
Chloride SYNTHESIS - Figure Y: Ups Block Diagram

Chloride SYNTHESIS
57 pages
Print Icon
To Next Page IconTo Next Page
To Next Page IconTo Next Page
To Previous Page IconTo Previous Page
To Previous Page IconTo Previous Page
Loading...
BATTERY CABINET
(
OPTIONAL, 4-12kVA
)
LOAD
OUTPUT
CABINET
QS3
QS4
QS1
UPS CABINET
INTERNAL
BATTERIES
QS5
INPUT POWER
SUPPLY
Figure Y: UPS Block Diagram
37

Table of Contents

Related product manuals