EasyManua.ls Logo

Condair EL2 - Selecting the Control System

Condair EL2
72 pages
Print Icon
To Next Page IconTo Next Page
To Next Page IconTo Next Page
To Previous Page IconTo Previous Page
To Previous Page IconTo Previous Page
Loading...
20
Condair EL2
Condair EL2
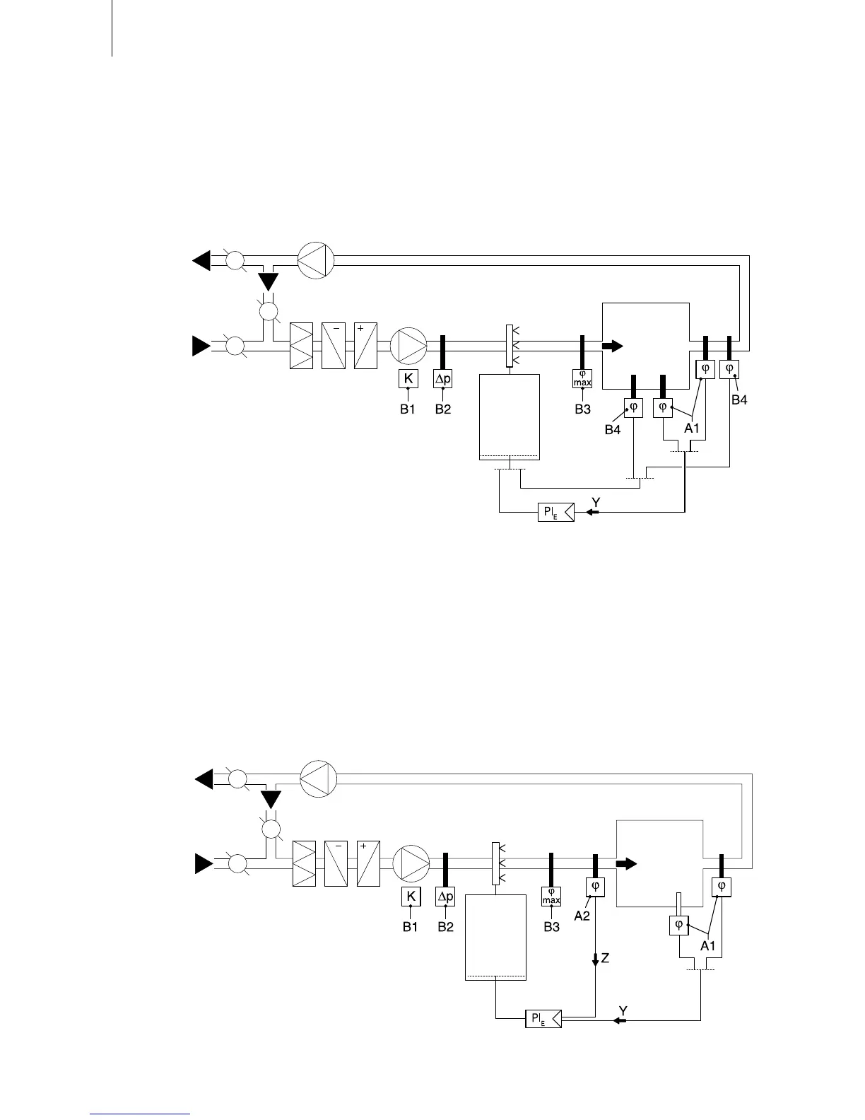
4.3 Selecting the control system
The various control systems
System 1: Room humidity control
System1issuitedfordirectroomhumidication and air conditioning systems with mainly
recirculated air.Thehumiditysensororhumidistatrespectivelyispreferablylocatedintheroom
itselforintheexhaustairduct.
A1 humidity sensor
B1 ventilation interlock
B2 airowmonitor
B3 safetyhumidistat
B4 humidistat
PI
E
External continuous controller
(e.g.PIcontroller)
Y inputsignalfromA1
System 2: Room humidity control with continuous limitation of the supply air humidity
System2issuitedforairconditioningsystemswithalarge portion of supply air, low supply air
temperature, post-humidication, or variableairowvolume.Ifthesupplyairhumidityexceeds
thepresetvalue,thecontinuouslimitationiseffectedpriortotheroomhumiditycontrol.
Thehumiditysensor(A1)ispreferablylocatedintheexhaustairductorintheroomitself.The
humiditysensor(A2)forthelimitationofthesupplyairhumidityislocatedinthesupplyairduct
afterthesteamdistributionpipe.Thiscontrolsystemrequiresacontinuouscontrollerwiththe
option to connect a second humidity sensor.
Attention! Thecontinuouslimitationofthesupplyairhumidityisnosubstituteforthesafetyhumi-
distat.
A1/2 humidity sensor
B1 ventilation interlock
B2 airowmonitor
B3 safetyhumidistat
PI
E
External continuous controller
(e.g.PIcontroller)
Y inputsignalfromA1
Z inputsignalfromA2

Table of Contents

Related product manuals