EasyManua.ls Logo

Contec IPC-BX/600(PCW) - Page 80

Contec IPC-BX/600(PCW)
102 pages
Print Icon
To Next Page IconTo Next Page
To Next Page IconTo Next Page
To Previous Page IconTo Previous Page
To Previous Page IconTo Previous Page
Loading...
5. Each Component Function
Users Manual
75
RX
-
(11)
RX+ (3)
TX
-
(10)
TX+ (2)
0 : Controlled by RTS
TE_SEL
1 : Controlled by TE_GATE
VCC
TXD
47k
6.2k
0 : Transmission prohibited
RTS
1 : Transmission permitted
0 : Transmission permitted
TE_GATE
1 : Transmission prohibited
0 : Receiving permitted
RE_GATE
1 : Receiving prohibited
RXD
6.2k
47k
1
23
JP4
0
1
R
D
120
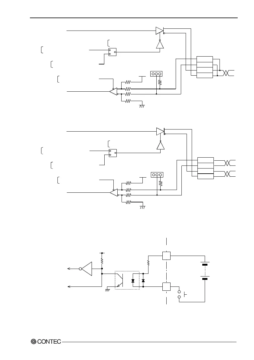
Figure 5.19. Half-Duplex Connection Method
RX
-
(11)
RX+ (3)
TX
-
(10)
TX+ (2)
0 : Controlled by RTS
TE_SEL
1 : Controlled by TE_GATE
VCC
TXD
47k
6.2k
0 : Transmission prohibited
RTS
1 : Transmission permitted
0 : Transmission permitted
TE_GATE
1 : Transmission prohibited
0 : Receiving permitted
RE_GATE
1 : Receiving prohibited
RXD
6.2k
47k
123
JP4
0
1
R
D
120
Figure 5.20. Full-Duplex Connection Method
External I/O Circuit
4.7k
1/4W
External power
(12V-24VDC)
Input
contact
(PCOM)
(PI 0~2)
RAS connector
(External circuit)
PC817
Internal
reset
(IN)
4.7k
Figure 5.21. Input Circuit

Related product manuals