EasyManua.ls Logo

Daikin intelligent Touch Manager - 1.2 Understanding external dimensions

Daikin intelligent Touch Manager
44 pages
Print Icon
To Next Page IconTo Next Page
To Next Page IconTo Next Page
To Previous Page IconTo Previous Page
To Previous Page IconTo Previous Page
Loading...
8 Installation Manual 3P291714-2B
DCM601A71 intelligent Touch Manager
English
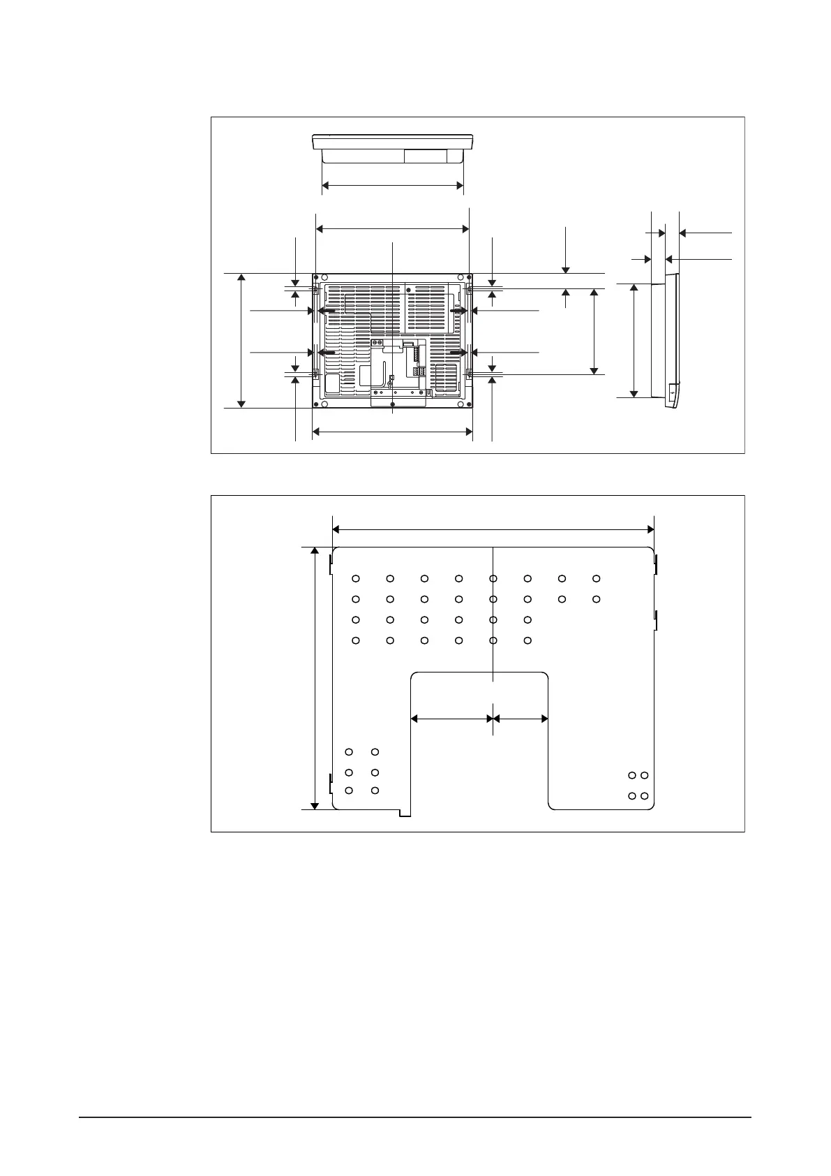
1.2 Understanding external dimensions
intelligent Touch Manager body
9-9/16
5-31/32
1-5/32
8-5/32
11-13/32
3/16
3/16
3/16
3/16
31/32
31/32
5/165/16
5/165/16
10-3/32
10-23/32
(in.)
Wall mounting metal plate
7-17/32
9-7/32
2-3/8
1-9/16
Thickness 1/32
(in.)

Table of Contents

Related product manuals