EasyManua.ls Logo

Daikin VRV K - Piping Diagram; Heat Recovery Series Outdoor Unit

Daikin VRV K
170 pages
Print Icon
To Next Page IconTo Next Page
To Next Page IconTo Next Page
To Previous Page IconTo Previous Page
To Previous Page IconTo Previous Page
Loading...
Piping Diagram Si-95
150 Appendix
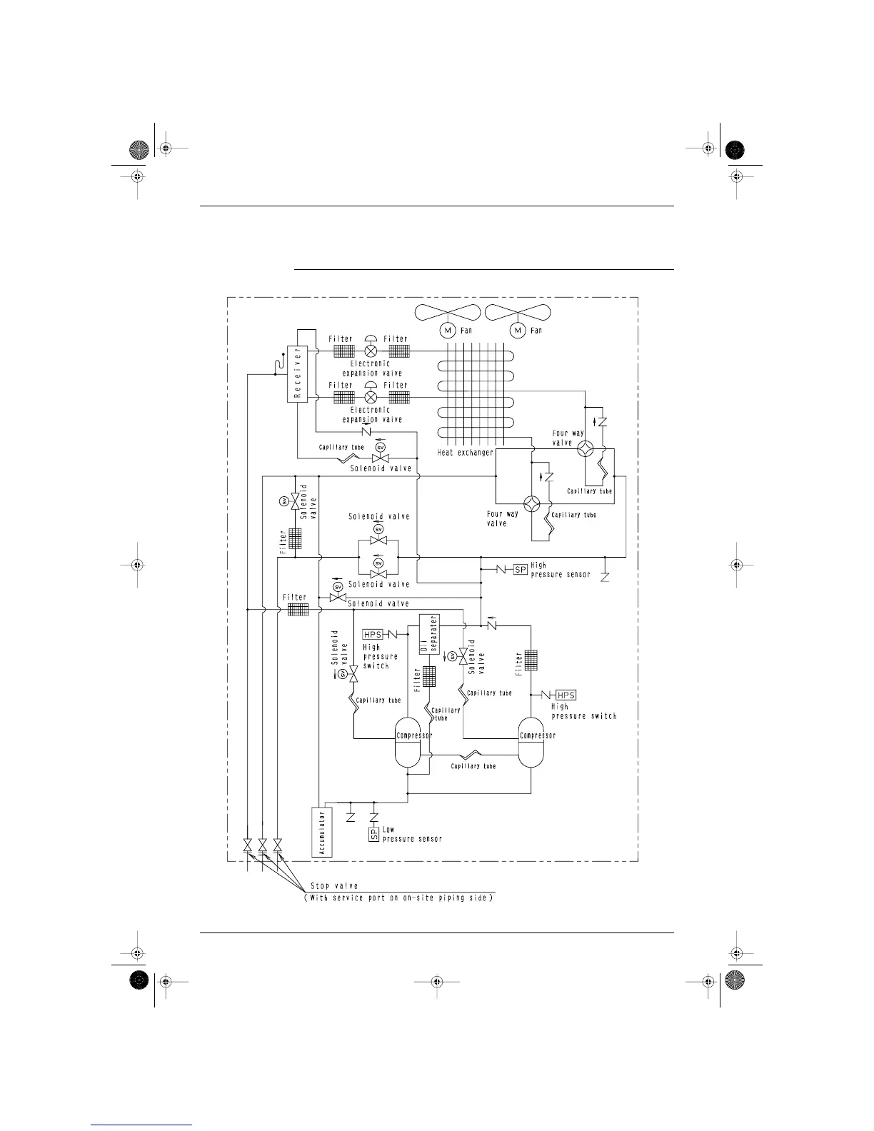
5. Piping Diagram
5.1 Heat Recovery Series Outdoor Unit
RSEY8·10KLY1(E)
4D018336
Part5.fm Page 150 Tuesday, April 11, 2000 2:09 PM

Table of Contents

Related product manuals