EasyManua.ls Logo

Daikin VRV K - 1.7 Oil Return Operation

Daikin VRV K
170 pages
Print Icon
To Next Page IconTo Next Page
To Next Page IconTo Next Page
To Previous Page IconTo Previous Page
To Previous Page IconTo Previous Page
Loading...
Functions Si-95
10 Functions Inverter K Series
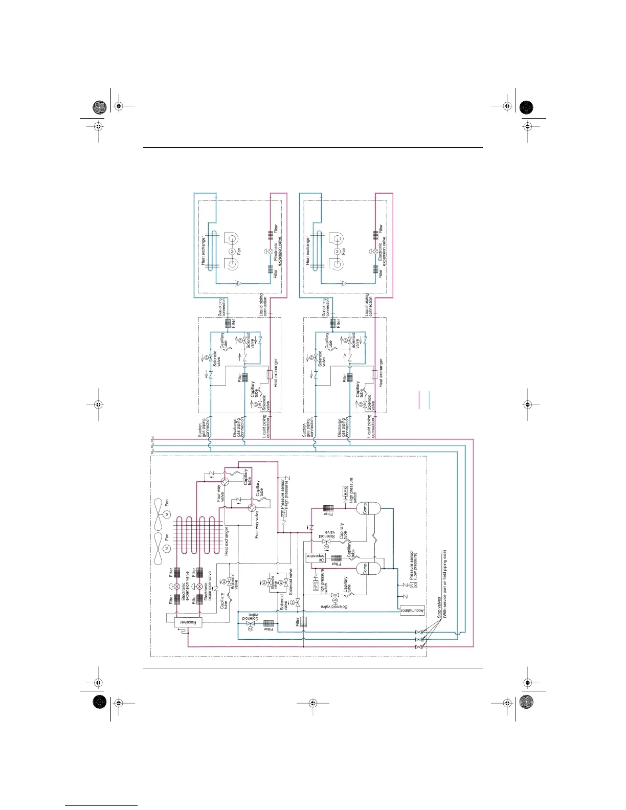
1.3 Flow of Refrigerant in Each Operation Mode
1.3.1 Cooling
High pressure
Low pressure
SI-95.BOOK Page 10 Friday, March 31, 2000 10:59 AM

Table of Contents

Related product manuals