EasyManua.ls Logo

Daikin VRV K - 1.8 Defrost

Daikin VRV K
170 pages
Print Icon
To Next Page IconTo Next Page
To Next Page IconTo Next Page
To Previous Page IconTo Previous Page
To Previous Page IconTo Previous Page
Loading...
Si-95 Functions
Functions Inverter K Series 11
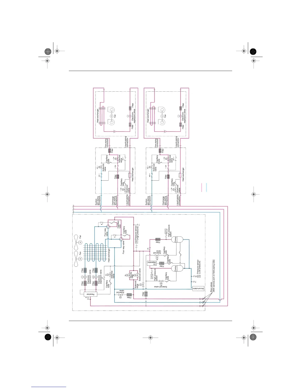
1.3.2 Heating
High pressure
Low pressure
SI-95.BOOK Page 11 Friday, March 31, 2000 10:59 AM

Table of Contents

Related product manuals