EasyManua.ls Logo

Daikin VRV K - Page 162

Daikin VRV K
170 pages
Print Icon
To Next Page IconTo Next Page
To Next Page IconTo Next Page
To Previous Page IconTo Previous Page
To Previous Page IconTo Previous Page
Loading...
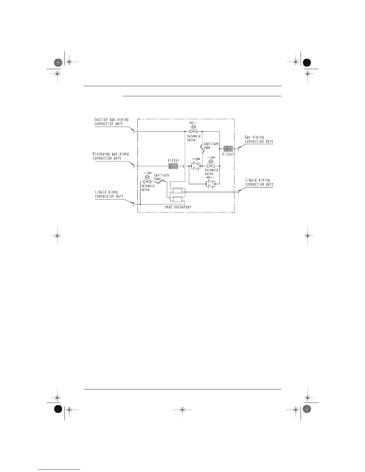
Piping Diagram Si-95
152 Appendix
BSV250KLV1
4D014499
Part5.fm Page 152 Wednesday, April 12, 2000 9:40 AM

Table of Contents

Related product manuals