EasyManua.ls Logo

Datex-Ohmeda 7900 - Page 175

Datex-Ohmeda 7900
181 pages
Print Icon
To Next Page IconTo Next Page
To Next Page IconTo Next Page
To Previous Page IconTo Previous Page
To Previous Page IconTo Previous Page
Loading...
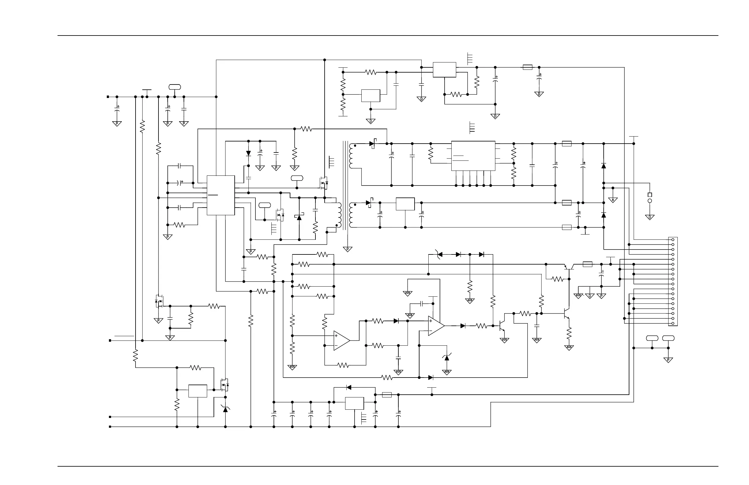
8 /Schematics
7900 Ventilator- 1503-0151-000 1-97 8-19
Figure 8-18
Power supply board schematic diagram, page 2 of 5
10V
4700UF
C36
20%
35V
C20
1000UF
20%
1000UF
35V
C34
20%
TC54VN4502
U12
U20
AD822AR
T1
20%
C19
2200UF
35V
C39
100UF
10V
20%20%
C43
100UF
10V
SH5
POWER_ON
U16
LM2940CT-15
6.2V
CR35
5234
Q10
D45C11
RFP50N05L
Q8
RFP50N05L
Q7
CR20
5248
18V
R138
1%
10K
1/8W
10%
C68
0.1UF
50V
2.2UF
C27
25V
80/-20%
R123
10K
1/8W
1%
CR10
914
CR34
914
C28
0.1UF
50V
10%
CR31
914
R115
1%
200K
1/8W
R111
1%
200
1/8W
U20
AD822AR
CR8
914
TC54VN4502
U25
E3
C47
10UF
35V
20%
R137
1%
107K
1/8W
50V
0.1UF
C109
10%
C77
10%
0.1UF
50V
1%
1/8W
499K
R18
107K
R19
1/8W
1%
J3
1%
1/8W
20K
R56
C33
22UF
20V
20%
BSS138
Q18
C76
3.3UF
35V
20%
E6
5R5_VAUX
5R5_VAUX
5R5_VAUX
U9
MAX796
22.1
R21
1/8W
1%
DL4004
CR37
914
CR36
2.00K
R120
1/8W
1%
100K
R114
1/8W
1%
0.1UF
C106
50V
10%
1/8W
10K
R128
1%
1/8W
130K
R127
1%
1/8W
11.5K
R125
1%
CR26
MBRS1100T3
E2
E4
DL4004
CR9
CR32
MBRS1100T3
50V
0.1UF
C110
10%
914
CR23
20%
C12
10UF
35V
35V
10UF
C69
20%
R24
10
2W
5%
C18
2200PF
100V
20%
R94
52.3K
1/8W
1%
1%
1/8W
20K
R131
1%
1/8W
10K
R130
10%
50V
C79
0.1UF
10%
50V
C78
0.1UF
REM_ON+
SH4
10%
50V
0.01UF
C7
1%
1/8W
47.5K
R132
VH_EL
VH_EL
CR7
ES3B
1%
1/8W
200
R20
0.1UF
C82
50V
10%
R81
2.21K
1/4W
1%
0.1UF
C75
50V
10%
1%
1/8W
R121
4.75K
10%
50V
0.1UF
C100
Q5
BSS138
R33
2.00K
1/8W
1%
1/8W
R35
2.00K
1%
E1
AGND
AGND
20%
35V
C40
10UF
20%
35V
3.3UF
C107
10%
50V
0.01UF
C37
CR38
DL4004
1/8W
R122
0.1%
499
3904
Q20
VR2
LP2952IN
VR3
MIC29152BT
E5
VDD
VDD
VDD
U23
MIC29300-5.0BT
1%
1/8W
20K
R83
VB
SH1,5
1%
1/8W
66.5K
R93
1%
1/8W
499K
R17
1MEG
1%
1/8W
R140
PJ2
R82
422K
1/8W
1%
26.7K
1%
1/8W
R84
0.018
1%
1W
R25
15K
0.1%
1/8W
R117
1/8W
R118
0.1%
499
15K
0.1%
1/8W
R116
0.2
1%
1/4W
R90
R36
1/4W
1%
0.2
R62
1/4W
1%
0.2
0.2
1%
1/4W
R64
LM385M-2.5
U19
27.4
1%
1.5W
R31
2N3904
Q9
33.2
1/8W
1%
R32
33UF
20%
25V
C45
33UF
20%
25V
C21
15UF
20%
25V
C25
100UF
20%
16V
C15
100UF
20%
16V
C13
100UF
20%
16V
C16
VSW
COM
VIN OUT
2
1
3
3
2
8
4
1
2
3
4
5
10
12
6
7
9
VINVOUT
COM
1
3
2
5
6
7
COM
VIN OUT
3
1
2
-15V
+15V
1
10
11
12
13
15
2
3
4
5
6
7
8
9
14
17
18
16
VDD
+5.5V
VLV+
FB CSL
SECFB
REF
GND
SHDN
SS
SYNC
BST
DH
LX
DL
PGND
CSH
1110
79
2
3
4
6
1
5
14
16
15
13
12
8
+5.5V
VB
5VTAP
FEEDBACK
G1 G2 G3 G4 G5 G6
INPUT OUTPUT
REF SENSE
ERROR
SHUTDOWN
7
8
345101112
913
614
2
1
OUTIN
ADJEN
GND
42
51
3
VDD
VIN VOUT
COM
2
3
1
8
4
[10.34/11.57V)
NC
PGND4PGND3
B_LO
B_HI
VB
14.5V
for Test
Connect
DGND
DGND
AUX_GND
AUX_GND
AUX_GND
VA_P15
VA_N15
DGND
REM_ON-
2.5V

Table of Contents

Related product manuals