EasyManua.ls Logo

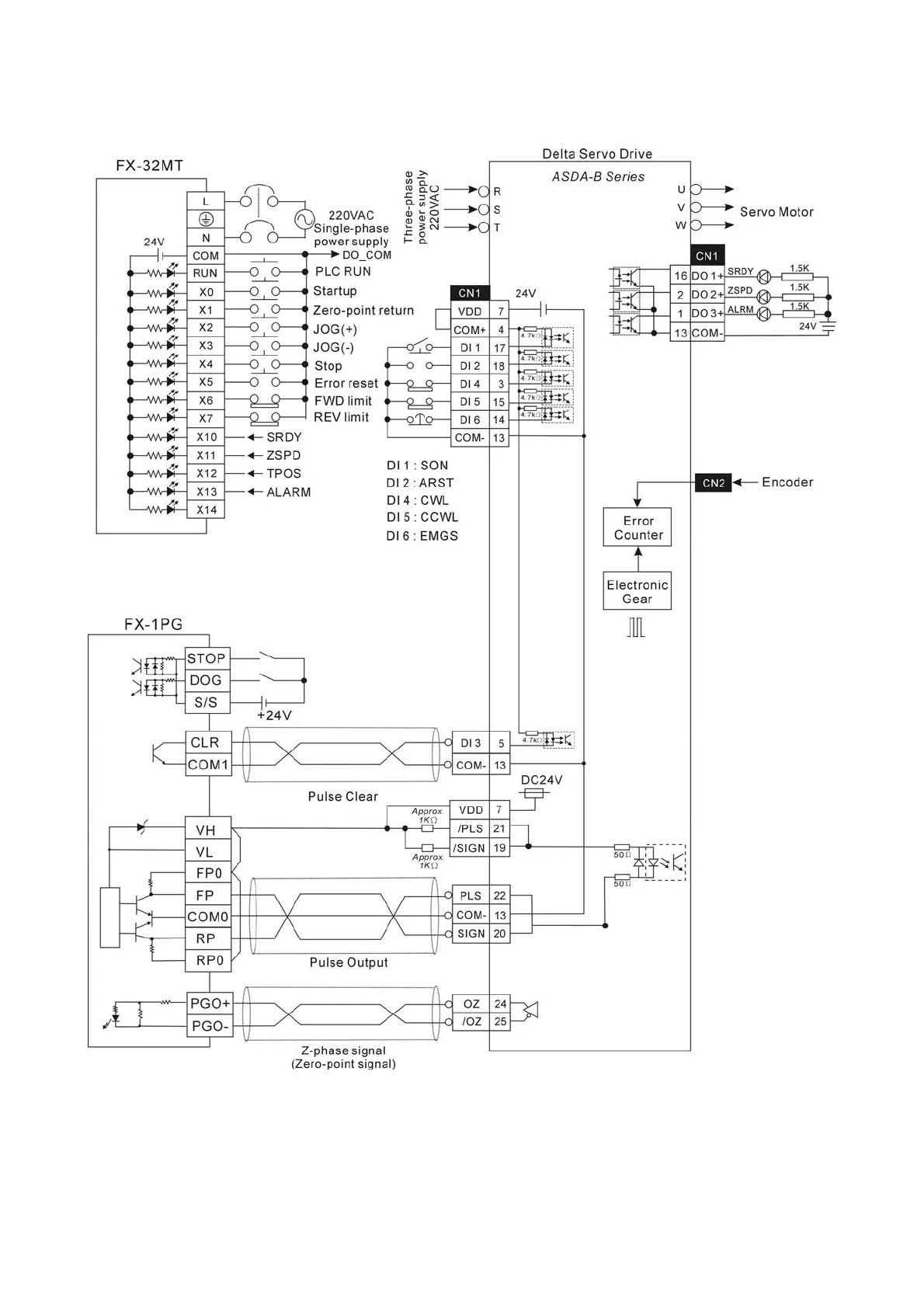
Delta Electronics ASDA-B Series - Connecting to Mitsubishi FX1 PG

Delta Electronics ASDA-B Series
321 pages
Print Icon
To Next Page IconTo Next Page
To Next Page IconTo Next Page
To Previous Page IconTo Previous Page
To Previous Page IconTo Previous Page
Loading...
Chapter 12 Application Examples |ASDA-B Series
Revision January 2009 12-17
Connecting to Mitsubishi FX1PG

Table of Contents

Related product manuals