EasyManua.ls Logo

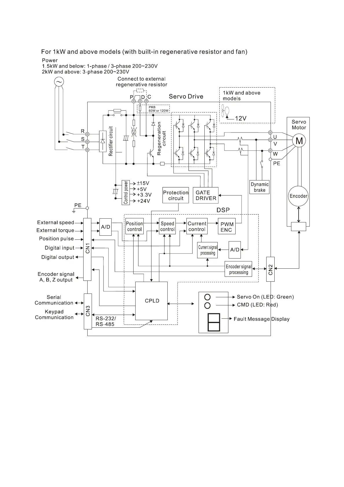
Delta Electronics ASDA-B Series - Basic Wiring Schematic of 1 Kw and above Models

Delta Electronics ASDA-B Series
321 pages
Print Icon
To Next Page IconTo Next Page
To Next Page IconTo Next Page
To Previous Page IconTo Previous Page
To Previous Page IconTo Previous Page
Loading...
Chapter 3 Connections and Wiring|ASDA-B Series
Revision January 2009 3-11
Figure 3.6 Basic Wiring Schematic of 1kW and above models

Table of Contents

Related product manuals