EasyManua.ls Logo

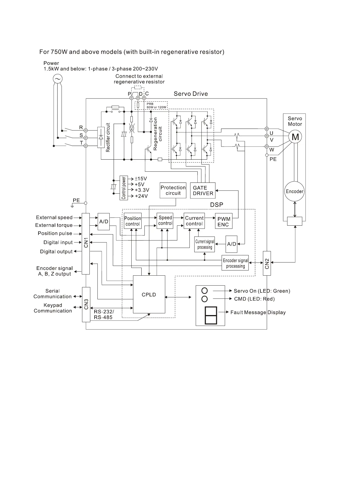
Delta Electronics ASDA-B Series - Basic Wiring Schematic of 750 W Models

Delta Electronics ASDA-B Series
321 pages
Print Icon
To Next Page IconTo Next Page
To Next Page IconTo Next Page
To Previous Page IconTo Previous Page
To Previous Page IconTo Previous Page
Loading...
Chapter 3 Connections and Wiring|ASDA-B Series
3-10 Revision January 2009
Figure 3.5 Basic Wiring Schematic of 750W models

Table of Contents

Related product manuals