EasyManua.ls Logo

DLS FlexxPump 125 - Page 23

DLS FlexxPump 125
76 pages
Print Icon
To Next Page IconTo Next Page
To Next Page IconTo Next Page
To Previous Page IconTo Previous Page
To Previous Page IconTo Previous Page
Loading...
revision: 0
FlexxPump 125 (24V)
User Manual
23
EN-
SCHMIERSYSTEME
DIRECT LUBRICATION SYSTEMS
D L S
OFF
InF-Menü
InF
SEt
On
OFF
On
OFF
run
OFF
FIL
Pro
On
OFF
run-Menü
FIL-Menü
Pro-Menü
SEt-Menü
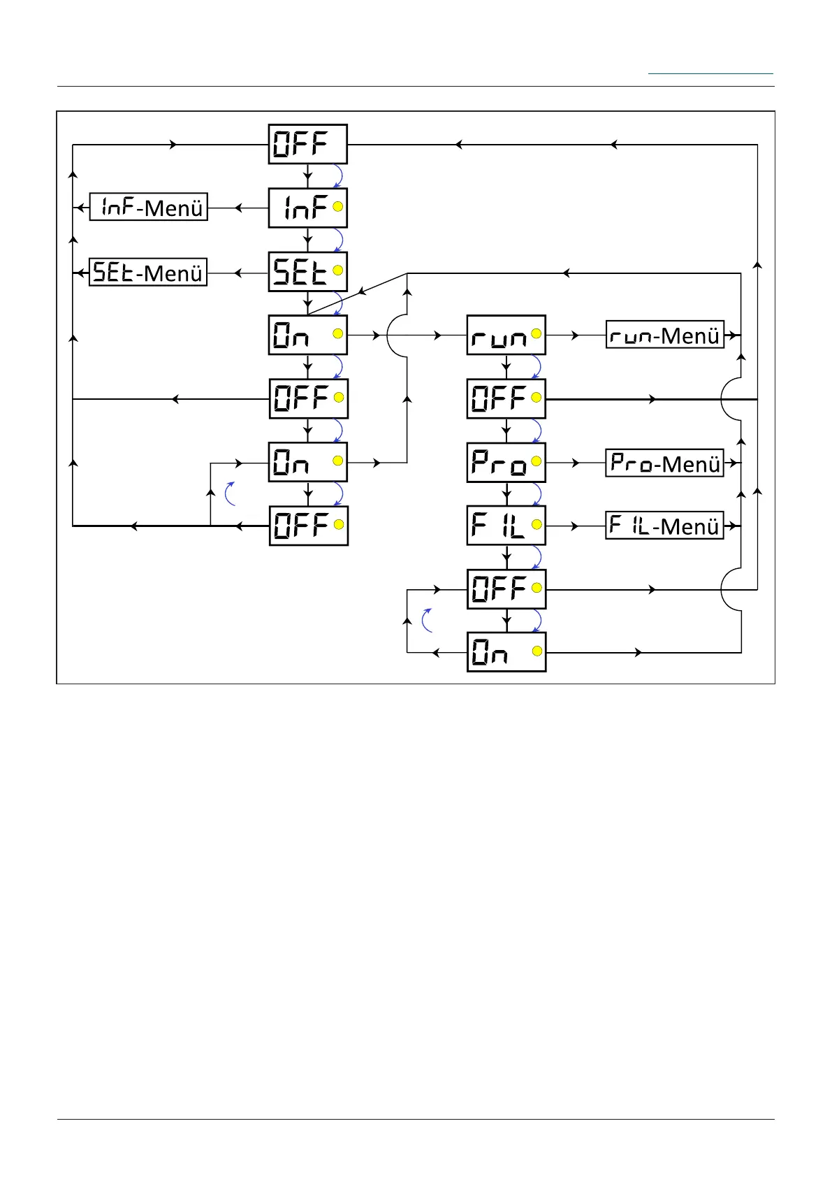
The graphic above illustrates the unchangeable basic owchart of the FlexxPump 125
menu navigation as well as the options for branching to the Sub-Menus.
The FlexxPump 125 can be switched on and off at several points in the menu naviga-
tion. For details see chapter 6.3.3.
The INF-Menu can only be accessed from the OFF mode (FlexxPump 125 is
switched o󰀨). The INF-Menu provides you with an informative overview of the current
FlexxPump 125 settings. For details see chapter 6.3.4, 6.3.5 and 6.3.6.
The SET-Menu can only be accessed from the OFF mode (FlexxPump 125 is swit-
ched o󰀨). The SET-Menu allows you to make changes to the operating mode. Details
can be found in chapter 6.3.7.
The RUN-Menu can only be accessed from the ON mode (FlexxPump 125 is
switched on). The RUN-Menu allows you to manually trigger a single donation at the
FlexxPump 125. For details see chapter 6.3.8.

Table of Contents

Other manuals for DLS FlexxPump 125

Related product manuals