EasyManua.ls Logo

Dobot Nova Series - Nova 2 Base; Nova 2 Flange Specifications

Dobot Nova Series
49 pages
Print Icon
To Next Page IconTo Next Page
To Next Page IconTo Next Page
To Previous Page IconTo Previous Page
To Previous Page IconTo Previous Page
Loading...
Dobot Nova Series User Guide
Issue V1.3 (2023-07-19) User Guide Copyright © Yuejiang Technology Co., Ltd.
17
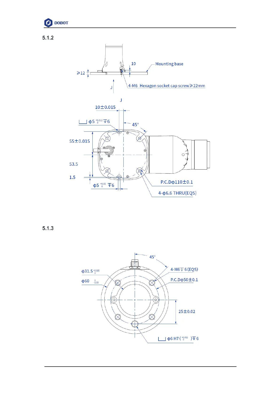
Nova 2 base
Figure 5.2 Nova 2 base installation dimensions
Nova 2 flange specifications
The end flanges of Nova series robot arms are all the same size. The flange design conforms
to ISO 9409-1.
Figure 5.3 Nova 2 end flange dimensions

Table of Contents

Related product manuals