EasyManua.ls Logo

DSE DSE8610 - Phase (L1 & L2) 3 Wire Without Earth Fault

DSE DSE8610
119 pages
Print Icon
To Next Page IconTo Next Page
To Next Page IconTo Next Page
To Previous Page IconTo Previous Page
To Previous Page IconTo Previous Page
Loading...
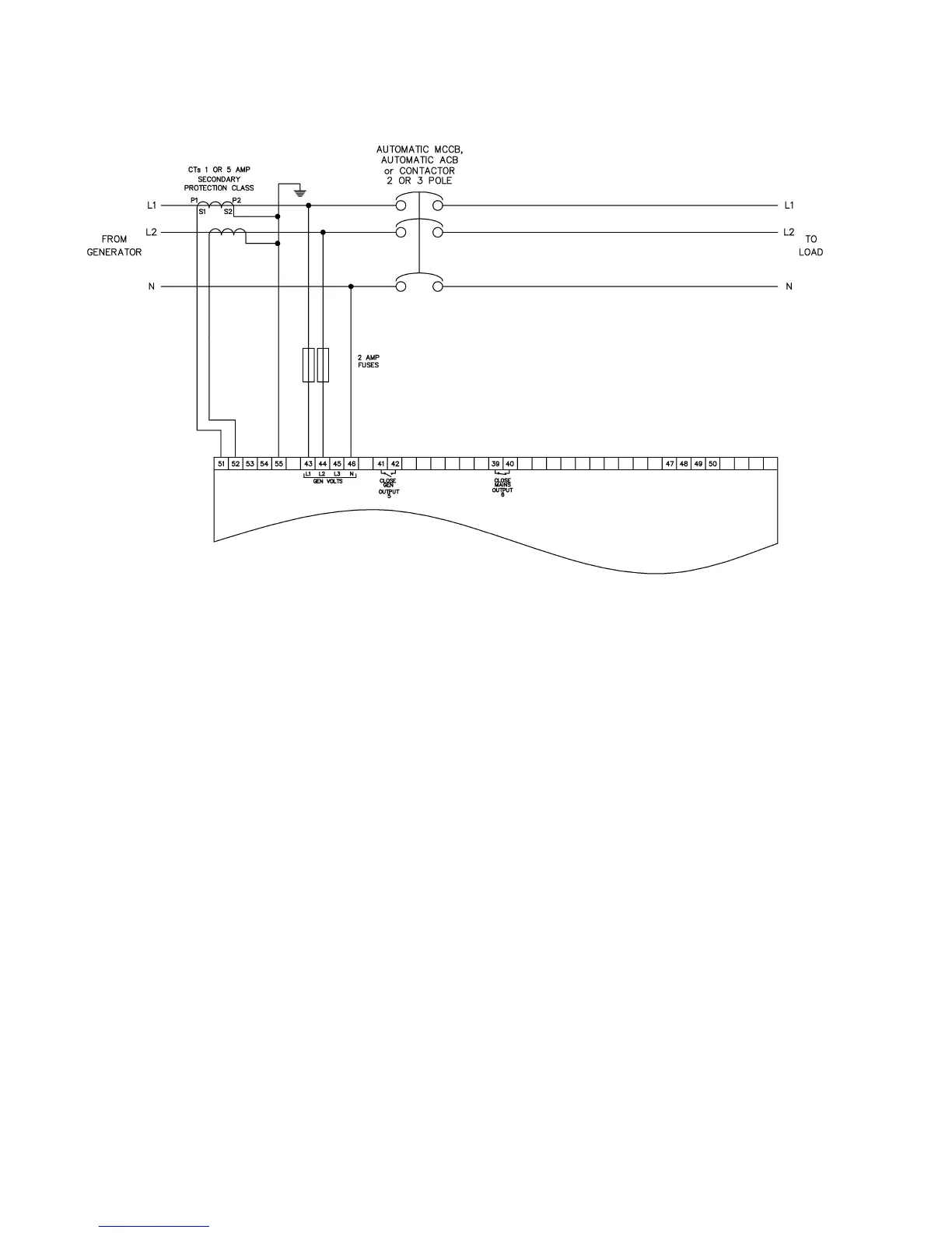
Installation – Typical Wiring Diagrams
54
4.3.4 2 PHASE (L1 & L2) 3 WIRE WITHOUT EARTH FAULT
CALL US TODAY
1-888-POWER-58
REQUEST A QUOTE
parts@genpowerusa.com
SHOP ONLINE
www.genpowerusa.com

Table of Contents

Related product manuals