EasyManua.ls Logo

Electrolux LAUNDRY - Circuit Diagrams Overview; Wiring Diagram Explained

Electrolux LAUNDRY
71 pages
Print Icon
To Next Page IconTo Next Page
To Next Page IconTo Next Page
To Previous Page IconTo Previous Page
To Previous Page IconTo Previous Page
Loading...
SOI/DT 2006-01 dmm 54/71 599 37 47-13
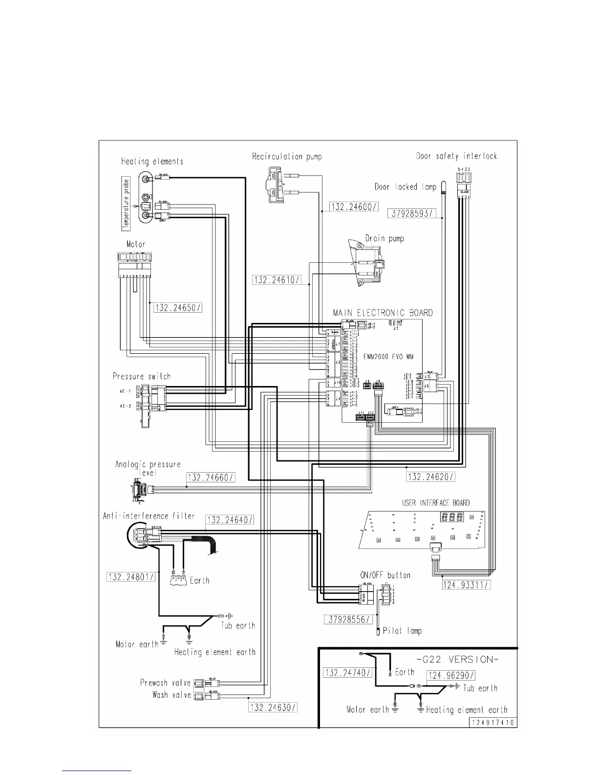
5.16 Circuit diagrams
Each model produced is accompanied by a wiring diagram and a basic circuit diagram.
5.16.1 Wiring diagram
An example of a wiring diagram is shown below. The wiring diagram may be used to check for correct
connection of the wiring connectors to the various electrical components.

Table of Contents

Related product manuals