EasyManua.ls Logo

Electrolux LAUNDRY - Wiring Harness Types; Wiring Harness Part Numbers

Electrolux LAUNDRY
71 pages
Print Icon
To Next Page IconTo Next Page
To Next Page IconTo Next Page
To Previous Page IconTo Previous Page
To Previous Page IconTo Previous Page
Loading...
SOI/DT 2006-01 dmm 55/71 599 37 47-13
5.16.2 Wiring
Two types of wiring harness are used for the various models:
Modular: the wiring harness consists of a series of sections fitted with connectors.
Single: the wiring consists of a single main harness. There may be separate wires for connection to
earth.
5.16.3 Part numbers for wiring
The various types of wiring harness are available as spare parts. The various codes are shown in the
electrical components section under reference no. 999.
Example:
Position Part no. Description
999 132 24 63 01 / 7 wiring
999 132 24 80 01 / 1 earth wiring
999 124 90 12-31 / 9 power cable, 2000x3x1'5
999 124 93 31 12 /3 wiring, FLAT CABLE
999 132 24 60 00 / 0 wiring
999 132 24 61 00 / 0 wiring
999 132 24 66 00 / 9 wiring
999 132 24 64 00 / 4 wiring
999 132 24 63 00 / 6 wiring
999 132 24 62 00 / 8 wiring
999 132 24 65 00 / 1 wiring
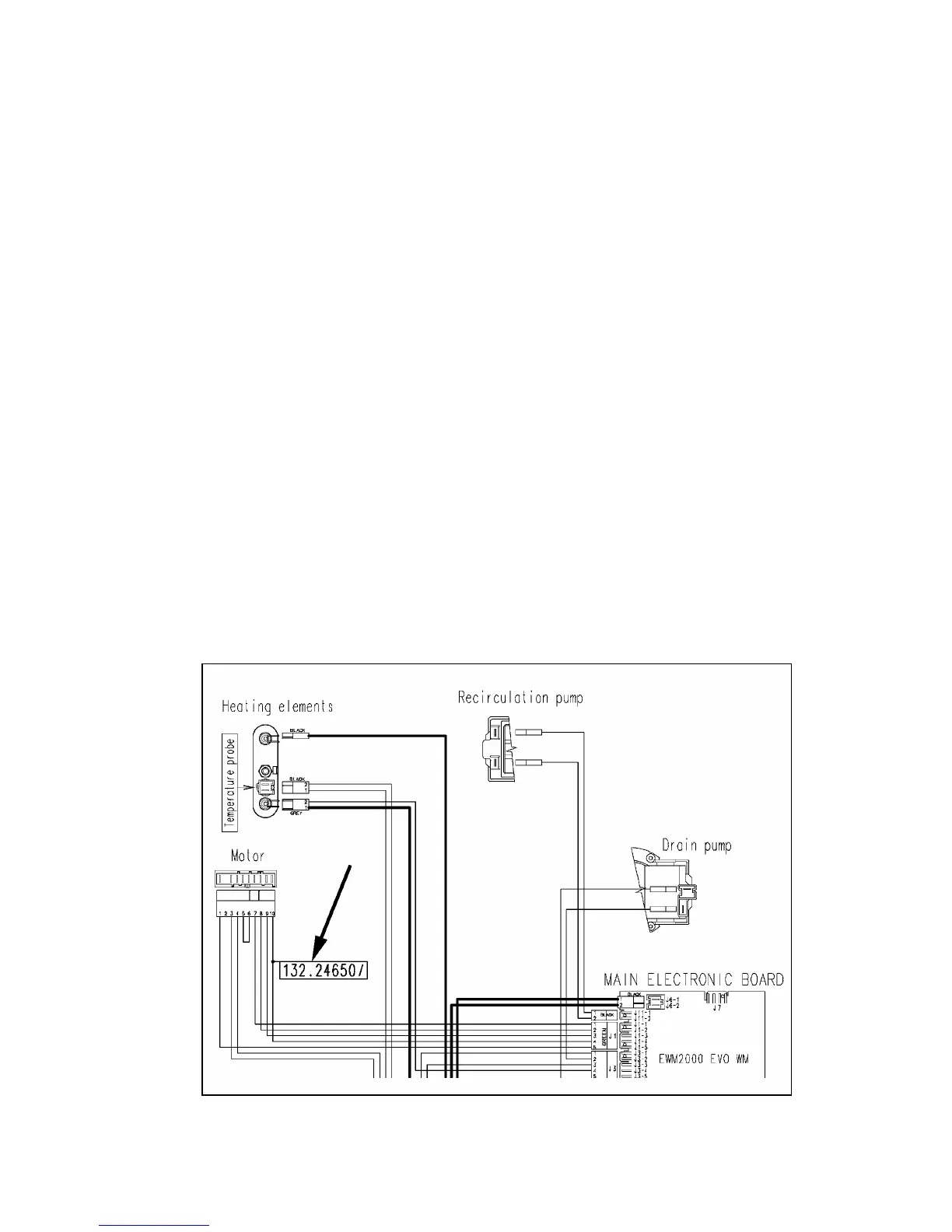
In order to identify the correct spare part, use the wiring diagram to identify the part number shown
alongside the wiring to be ordered; this number corresponds to the first 8 digits of the part number shown in
the list.
In the case of the wiring for the motor, for example, the wiring diagram shows code 132.24650/, which
corresponds to the first 8 digits of part number 132 24 65 00 / 1.

Table of Contents

Related product manuals