EasyManua.ls Logo

ELNet LT - Page 19

ELNet LT
78 pages
Print Icon
To Next Page IconTo Next Page
To Next Page IconTo Next Page
To Previous Page IconTo Previous Page
To Previous Page IconTo Previous Page
Loading...
19
PowermeterEnergy &
LT 2013 ELNet
New model
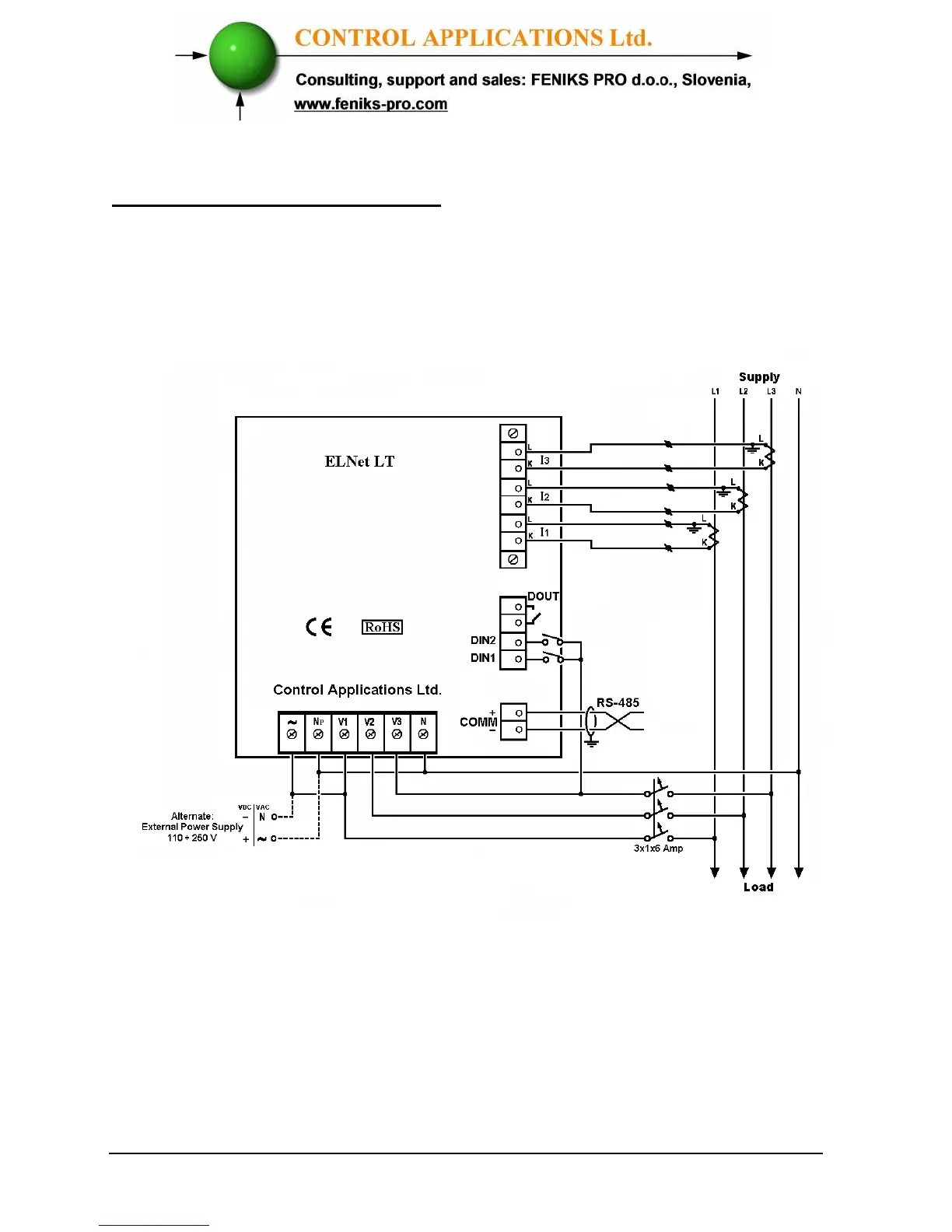
The current measurement wires are connected with screws
to build in standard connectors or optional 60 mm
connectors.
Figure 2.6 Schematic Wiring Diagram "Star" connection

Table of Contents