EasyManua.ls Logo

Epson FX-870 - Removing the CR Motor Assembly

Epson FX-870
181 pages
Print Icon
To Next Page IconTo Next Page
To Next Page IconTo Next Page
To Previous Page IconTo Previous Page
To Previous Page IconTo Previous Page
Loading...
Disassembly
and Assembly
Removing the CR Motor Assembly
1.
Remove the paper guide assembly, ribbon, top cover, front cover, paper eject cover, and tractor
-’
unit. (See page 4-5.)
2.
Remove the panel unit. (See page
4-6.)
3.
Remove the upper housing assembly. (See page 4-8.)
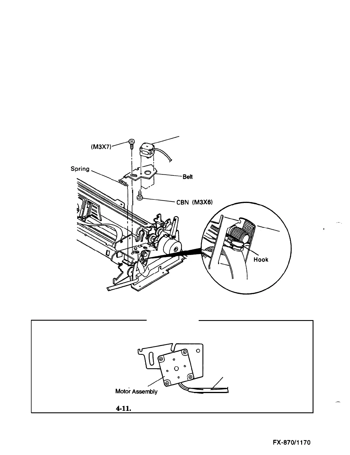
4.
Remove the face screw (M3x7) securing the CR motor assembly. After releasing the tension
spring, disengage the timing belt from the CR motor assembly and hang it on the hook.
5.
Disconnect connector CN13 on the C094 MAIN board assembly. Remove the CR motor
assembly.
6.
Remove
the two CBN (M3x6) screws on the back of the CR motor assembly. Remove the CR
motor assembly.
Face Screw
(M3X7)
CR Motor Assembly
+$@)-Belt
Tension Plate
hi
/
LCBN
W3X8)
-
Figure 4-10. Removing the CR Motor Assembly
Assembly Note
Position the CR motor assembly on the belt tension plate correctly as shown below.
CR Motor
Cable
Figure
4-11.
Positioning the CR Motor Assembly
-
4-12
Epson
FX-870/1170

Table of Contents

Other manuals for Epson FX-870

Related product manuals