EasyManua.ls Logo

Epson FX-870 - Circuit Diagrams

Epson FX-870
181 pages
Print Icon
To Next Page IconTo Next Page
To Next Page IconTo Next Page
To Previous Page IconTo Previous Page
To Previous Page IconTo Previous Page
Loading...
Reference Materials
Circuit Diagrams
0,‘
B:,&
OTC1132
sE:IOK
I
A
/I/II/II
III
,,,,
I
Il/IIl/II I I I I I I
II
Head
Conrrol
/IIm
O,‘”
Ill
i
-
Pf
Molar
Control
CNL
LE<ER
(
CYS
G&P
(
CN3
PEFRNT
(
CNS
PERAEFI
(
Pf
Motor
Ower
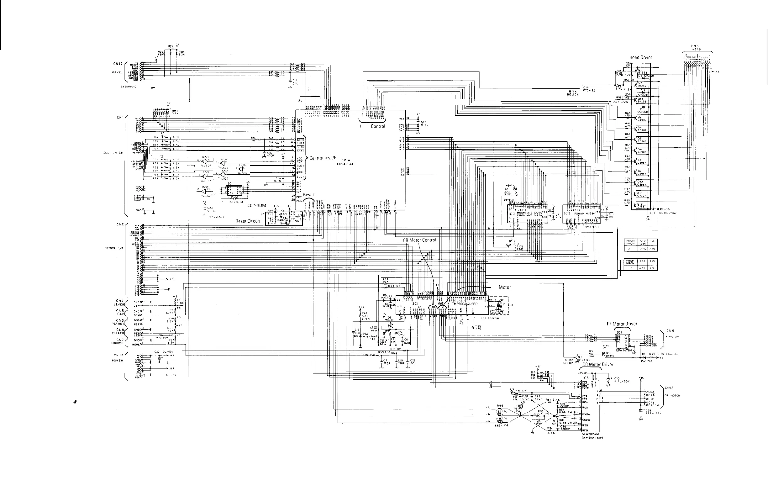
Figure 7-2. C094 MAIN Board Assembly
Circuit Diagram (Annotated)
7-5
Epson FX-870/1170

Table of Contents

Other manuals for Epson FX-870

Related product manuals