EasyManua.ls Logo

Epson FX-870 - Page 159

Epson FX-870
181 pages
Print Icon
To Next Page IconTo Next Page
To Next Page IconTo Next Page
To Previous Page IconTo Previous Page
To Previous Page IconTo Previous Page
Loading...
Reference Materials
.
I
\
=
-
-
-
-
-
-
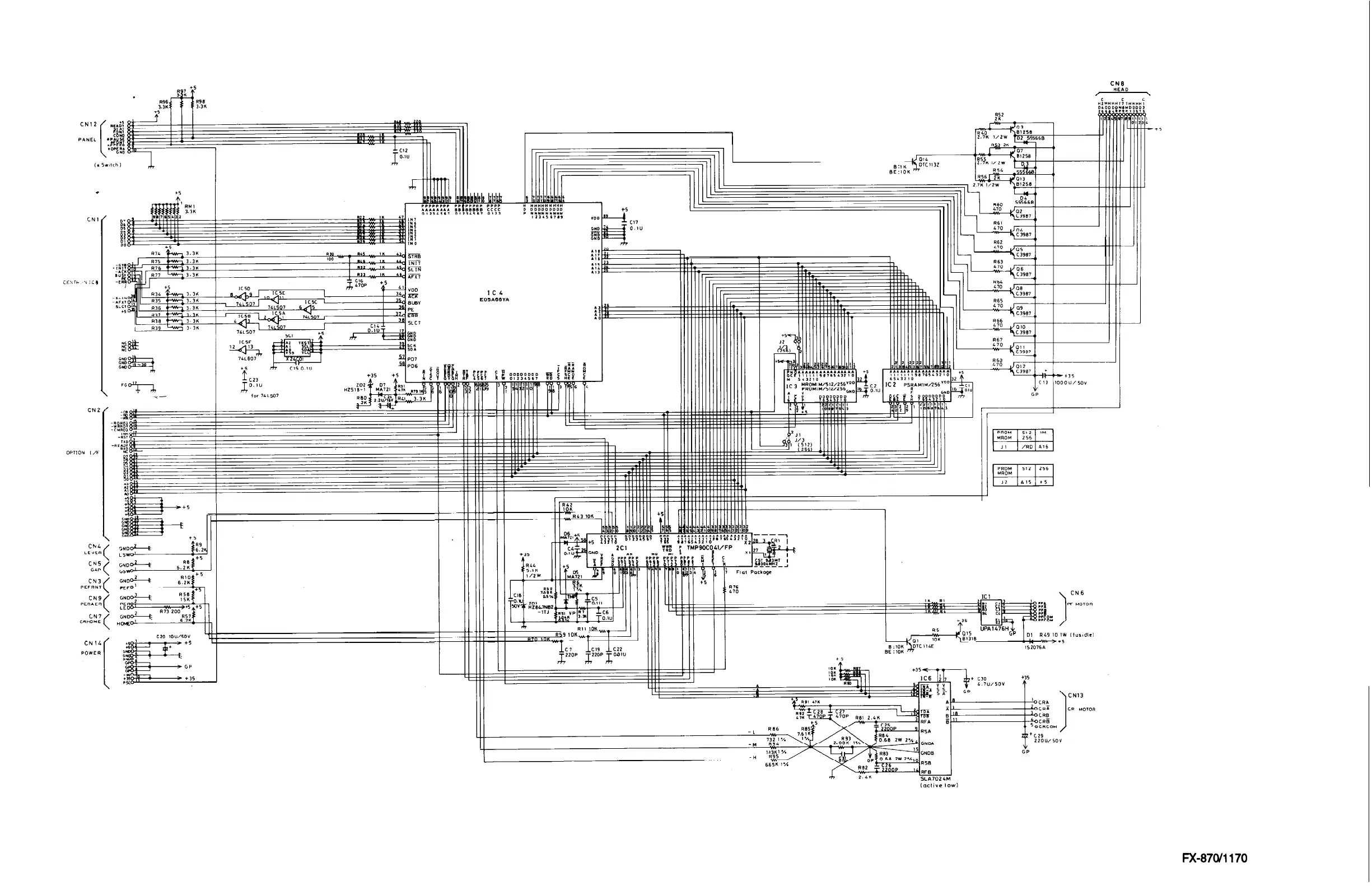
Figure 73. C094 MAIN Board Assembly
Circuit Diagram
7-6
Epson
FX-87CY1170

Table of Contents

Other manuals for Epson FX-870

Related product manuals