EasyManua.ls Logo

Epson FX-870 - Page 160

Epson FX-870
181 pages
Print Icon
To Next Page IconTo Next Page
To Next Page IconTo Next Page
To Previous Page IconTo Previous Page
To Previous Page IconTo Previous Page
Loading...
Surge Current
ProtectIon
2.5A,125V
CNI
L
IOO-12OVAC
C6
0
I
I
0
O.,u,‘AC250V
FG
,
R4
o.3gs
R7
16K
_
iV Over I
CB
T
220Op/lKV
_
3
ZJI
X1
: HEAT SINK
I
P
*,
051
‘-9;
FMP-G125
t5V
DC
Reourator
Clrcult
LPZOl-2R5SO
R
RW
II
tection
II
C58
O.Olu
1
I
7
ct-42
PSC
+35V/O.?A
-I
F
F
,
+SV/I.OA
3
Psc
PO.
7A
F
F
,
+5V/l.OA
c57
1
L7OOp/
IKV
!Or
7
FG
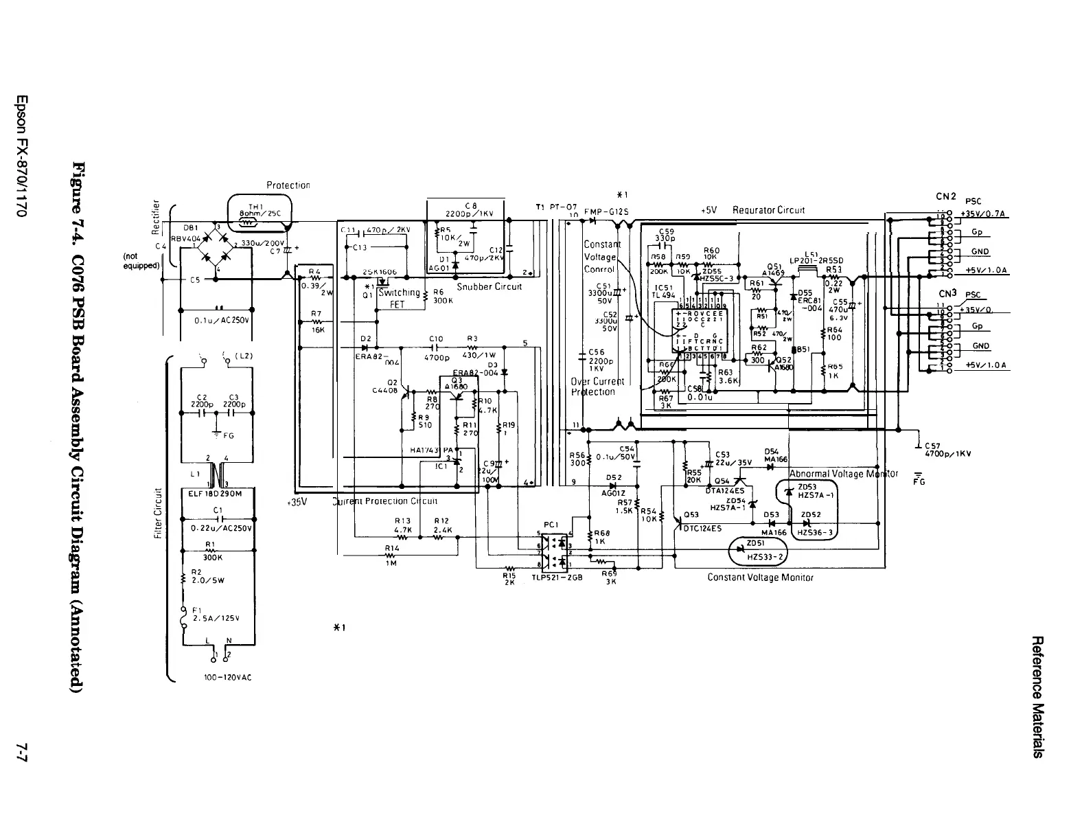
C076 PSB Power Supply Board

Table of Contents

Other manuals for Epson FX-870

Related product manuals