EasyManua.ls Logo

Epson FX-870 - Page 161

Epson FX-870
181 pages
Print Icon
To Next Page IconTo Next Page
To Next Page IconTo Next Page
To Previous Page IconTo Previous Page
To Previous Page IconTo Previous Page
Loading...
CN2
PSC
CB T’
I PT-0’
THI
Bohm/25C
C6
0
II
I
4,
0.1
u/ACZ%,V
It-
=
F-G
,I-
!,
(L2)
2200p/lKV
_
3’
R5
=
lOK/
2w
Cl2
--
01
L70pRKV
AGOI
_
2.
C
r
CSl
33ooun1
5ov
C52
33oou
5ov
a_ C56
-- 22oop
1
KV
z%p
22”dP
‘-T
t-
i
FG
ELF160290M
-2-
O.Z2u/AC250V
1
c.57
1
A7oOp/
1KV
?
FG
I-
Fl
2.5A,‘125V
*l
: HEAT SINK
!N!
100-120VAC
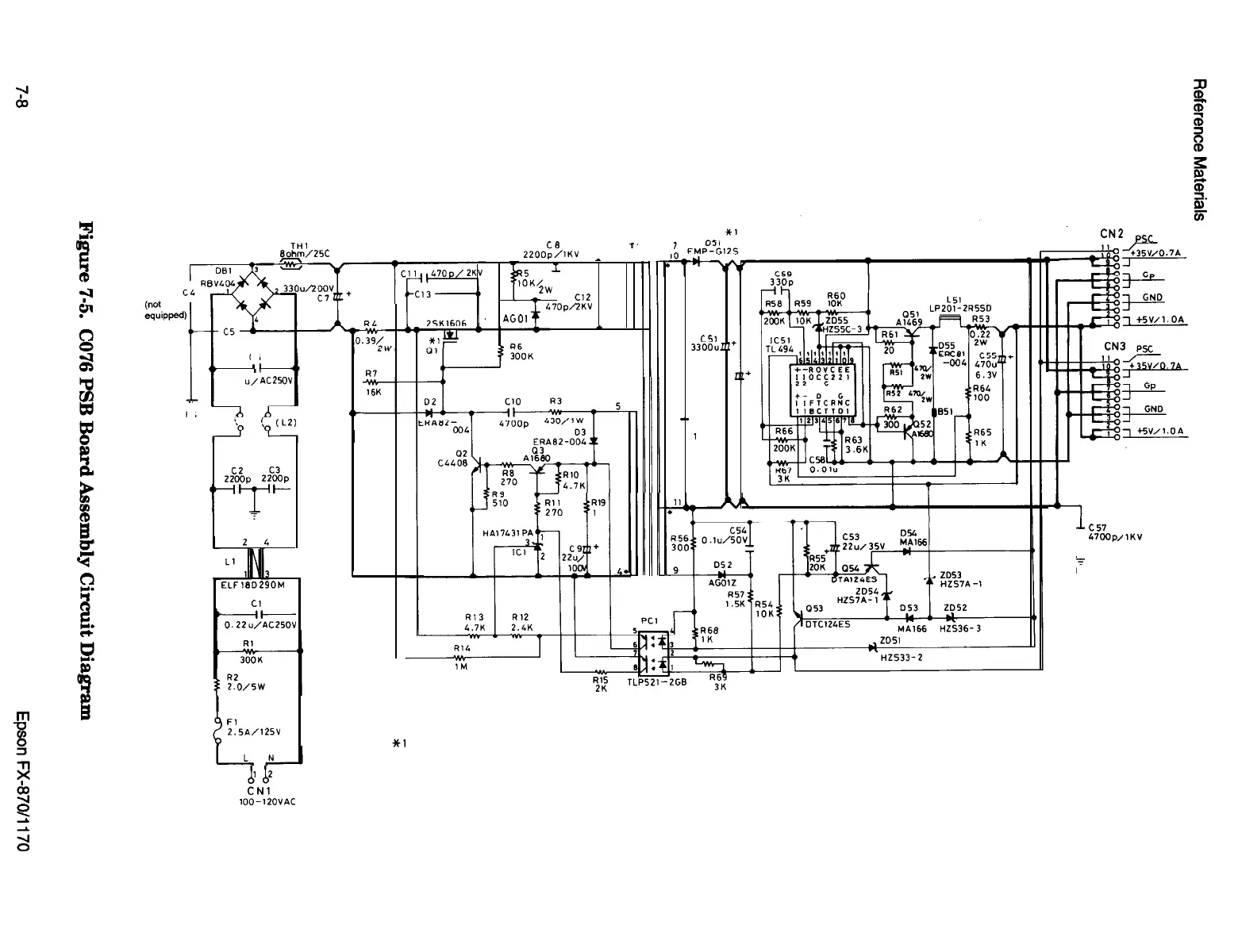
CO76 PSB Power Supply Board

Table of Contents

Other manuals for Epson FX-870

Related product manuals