EasyManua.ls Logo

eqss Gen-3 LMS - Schematics

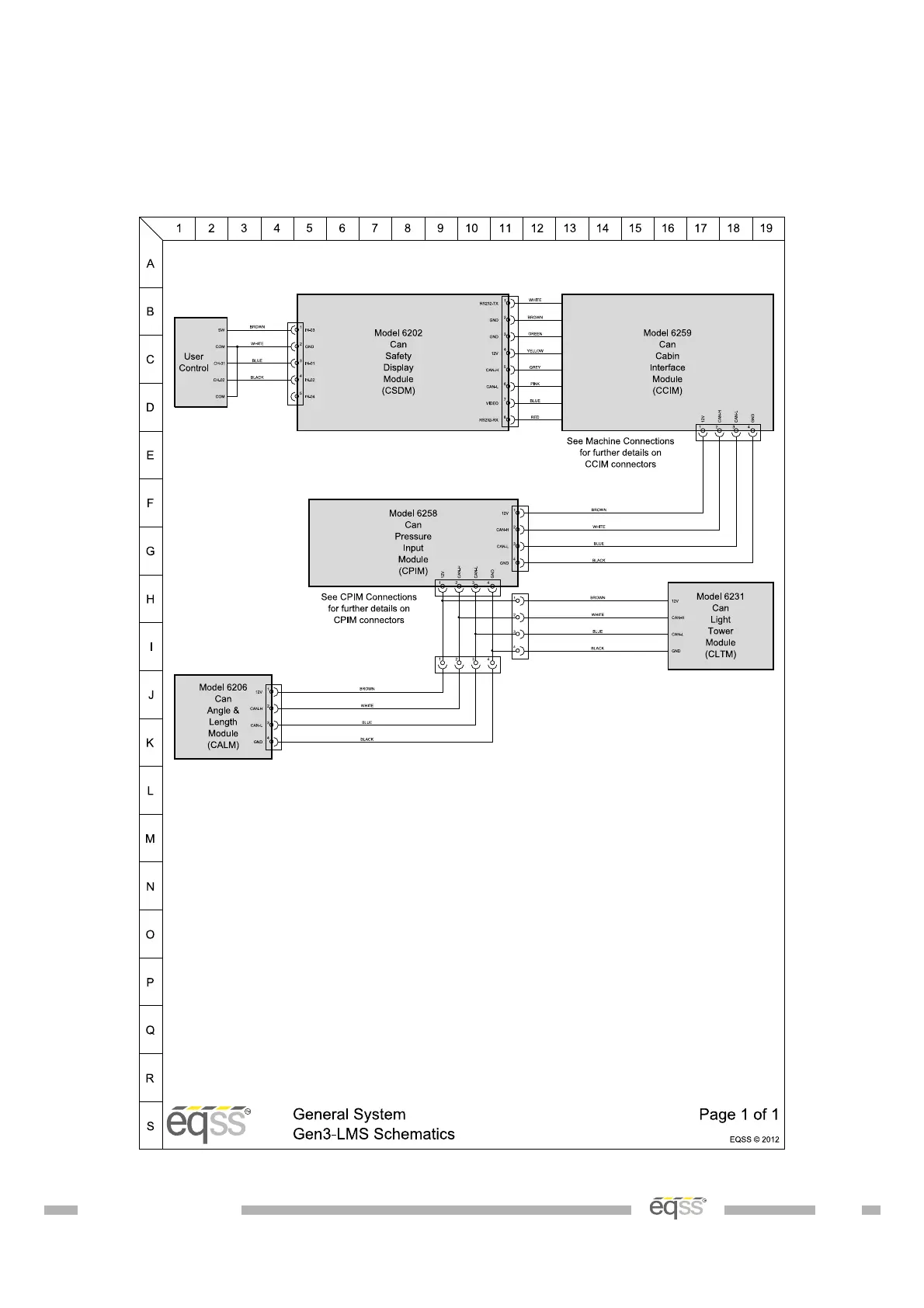
eqss Gen-3 LMS
58 pages
Print Icon
To Next Page IconTo Next Page
To Next Page IconTo Next Page
To Previous Page IconTo Previous Page
To Previous Page IconTo Previous Page
Loading...
Schematics
DO001547 VER: 2303241610 48 of 58

Table of Contents

Related product manuals