EasyManua.ls Logo

evertz 5700ACO - Balanced DARS, AES1, AES2 and Analog Audio Outputs*; Video Test Signal Generator Outputs; LTC and GPIO Connections

evertz 5700ACO
56 pages
Print Icon
To Next Page IconTo Next Page
To Next Page IconTo Next Page
To Previous Page IconTo Previous Page
To Previous Page IconTo Previous Page
Loading...
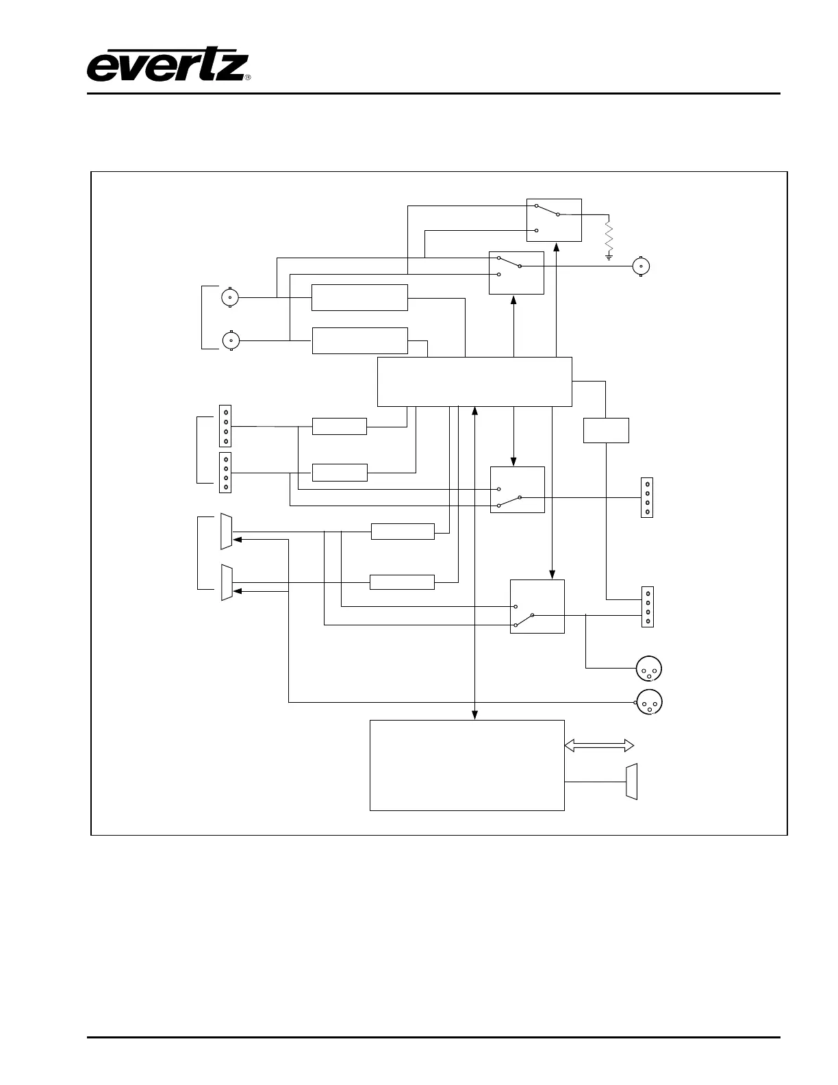
5700ACO
Automatic Changeover
Revision 1.0 Page 3
Figure
1-1 : 5700ACO Block Diagram

Table of Contents

Related product manuals