EasyManua.ls Logo

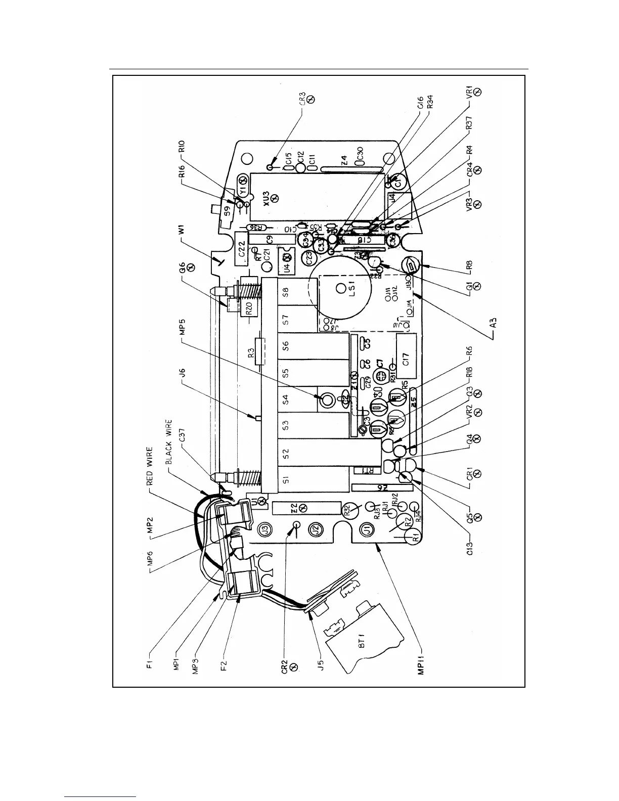
Fluke 8062A - A1 Main PCB Component Locations (Topview)

Fluke 8062A
124 pages
Print Icon
To Next Page IconTo Next Page
To Next Page IconTo Next Page
To Previous Page IconTo Previous Page
To Previous Page IconTo Previous Page
Loading...
Schematic Diagrams
7
7-3
8062A-4031
iv39c.eps
Figure 7-1. A1 Main PCB Component Locations (TopView)

Table of Contents

Related product manuals