EasyManua.ls Logo

Fluke 8062A - Voltage Measurement

Fluke 8062A
124 pages
Print Icon
To Next Page IconTo Next Page
To Next Page IconTo Next Page
To Previous Page IconTo Previous Page
To Previous Page IconTo Previous Page
Loading...
8062A
Instruction Manual
3-8
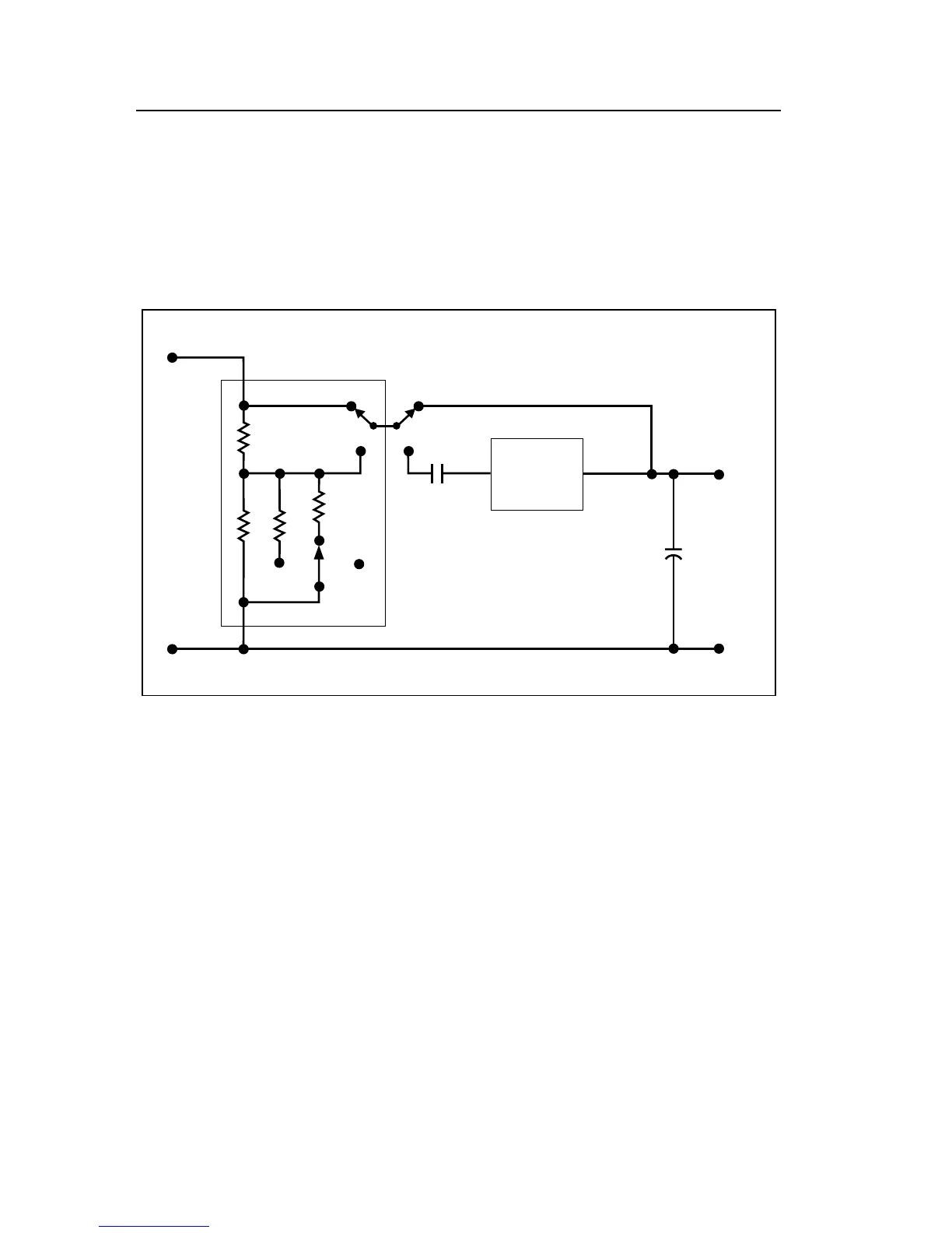
3-6. Voltage Measurement
Both the ac and dc voltage ranges use an over-voltage-protected 10 M
input divider as shown in Figure 3-4. The over-voltage protection includes
two 2-watt fusible resistors and four metal-oxide varistors for high voltage
clamping.
V/
Voltage
Divider
÷1DC
AC
True RMS
AC
Converter
Inputs
to A/D
Converter
Common
LO
HI
÷10
÷100
÷1000
÷100
÷10÷1000
dy28f.eps
Figure 3-4. Voltage Measurement
Depending on the range selected, lower leg resistors of the divider are
connected to ground to perform the input signal division.
The dc input voltages for all ranges are divided by the appropriate factor of
10 to produce a proportional dc signal which is then filtered and applied to
the input to the a/d converter. The dc and ac voltage ranges and division
factors are listed in Table 3-1 along with the corresponding range of inputs to
the a/d converter. Notice in Table 3-1 that the 2V dc voltage range is divided
by 1 (not 10). The microcomputer compensates by decreasing the integrator
gain in the a/d converter by a factor of 10 (refer to Figure 3-2). The
integrator gain is also reduced by a factor of 10 in the 1000V dc voltage
range, which uses the same divider arrangement as the 200V dc voltage
range.

Table of Contents

Related product manuals