EasyManua.ls Logo

Fluke 8062A - Page 123

Fluke 8062A
124 pages
Print Icon
To Next Page IconTo Next Page
To Next Page IconTo Next Page
To Previous Page IconTo Previous Page
To Previous Page IconTo Previous Page
Loading...
8062A
Instruction Manual
7-7
8062A-1201
iu46c.eps
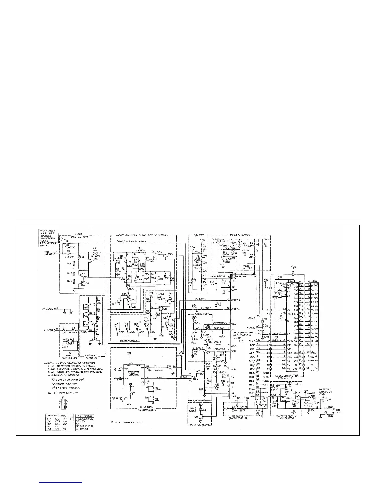
Figure 7-5. A1 Main PCB Schmatic Diagram

Table of Contents

Related product manuals