EasyManua.ls Logo

Frymaster FMCFE - J3 F Wiring Diagram - (Fast;Fast-Computer Modified; for Reference Only

Frymaster FMCFE
88 pages
Print Icon
To Next Page IconTo Next Page
To Next Page IconTo Next Page
To Previous Page IconTo Previous Page
To Previous Page IconTo Previous Page
Loading...
MASTER JET CF SERIES ATMOSPHERIC GAS FRYERS
APPENDIX
A-2
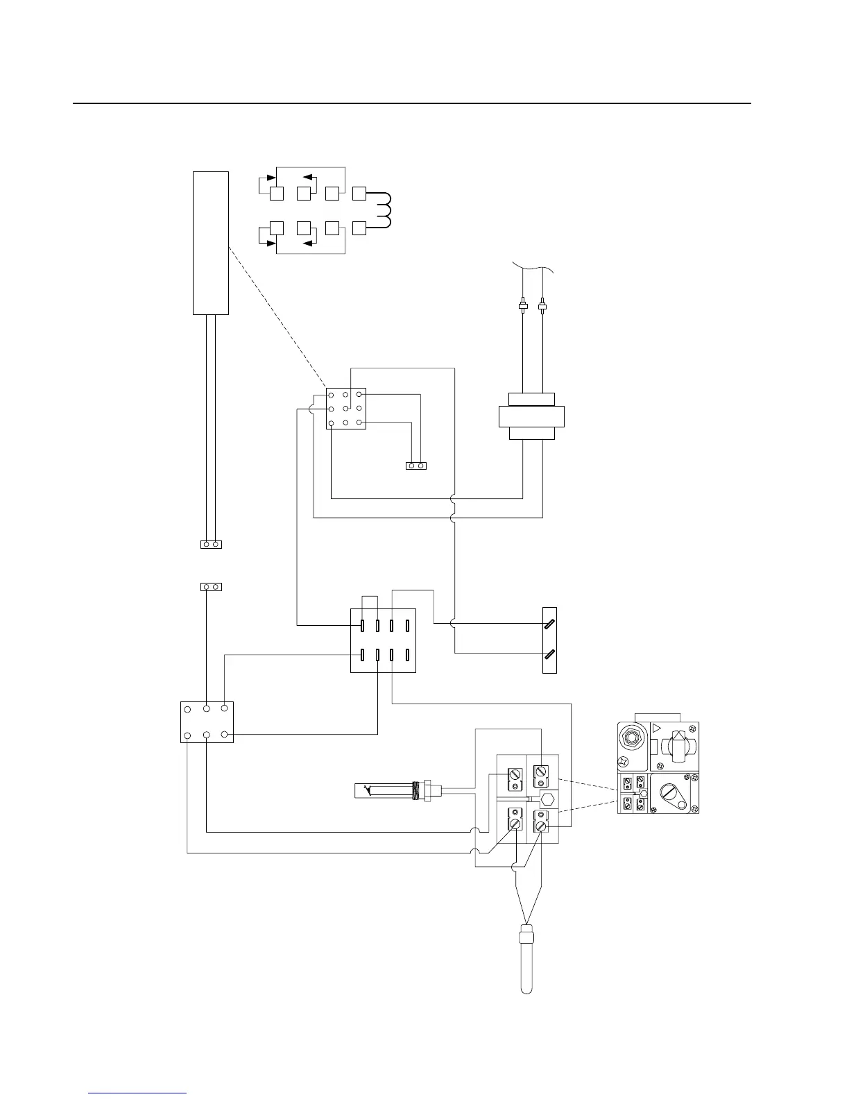
A.1.2 J3F Wiring Diagram – (Fast /Fast Computer Modified; For Reference Only)
BACK VIEW
OF SWITCH
HONEYWE LL 1/2
P.S.I.
TH
TH
PP
PP
1
2
3
4
6
5
1
2
3
4
6
5
7
8
6
1
2
34
5
8
7
RELAY
WIRING
DIAGRAM
COMPUTER
(REFERENCE)
1
2
1
2
J4 P4
VIOLET
VIOLET
BLUE
ORANGE
YELLOW
YELLOW
GREEN
J2
VIOLET
RED
RED
BROWN
BROWN
FRYER
PROBE
CONNECTOR
HEAT
DEMAND
YELLOW
YELLOW
WHITE
BLACK
HIGH-
LIMIT
PILOT
GENERATOR
OFF
INDICATOR
LIGHT
ON
GAS VALVE REFERENCE
(HONEYWELL)
POWER
SOURCE

Table of Contents

Related product manuals