EasyManua.ls Logo

Fuji Electric frenic mini series - Page 48

Fuji Electric frenic mini series
306 pages
To Next Page IconTo Next Page
To Next Page IconTo Next Page
To Previous Page IconTo Previous Page
To Previous Page IconTo Previous Page
Loading...
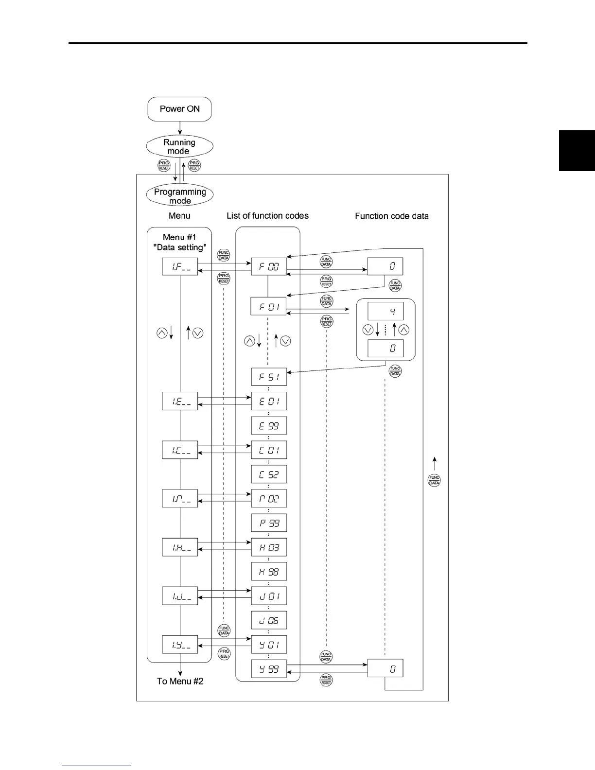
3.3 Programming Mode
3-11
Chap. 3 OPERATION USING THE KEYPAD
Figure 3.4 shows the status transition for Menu #1 "Data setting" and Figure 3.5 shows an example of
the function code data changing procedure.
Figure 3.4 Status Transition Diagram for "Data Setting"

Table of Contents

Other manuals for Fuji Electric frenic mini series

Related product manuals