EasyManua.ls Logo

FujiFilm NXT - Page 58

FujiFilm NXT
162 pages
Print Icon
To Next Page IconTo Next Page
To Next Page IconTo Next Page
To Previous Page IconTo Previous Page
To Previous Page IconTo Previous Page
Loading...
3. Machine Set Up QD002-07
50 NXT Setup Manual
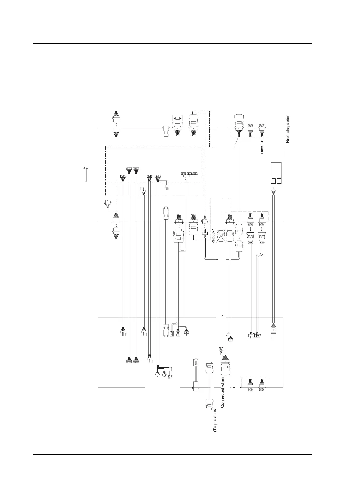
Signal Cable Connection Diagram
(Stand-alone Control Box - 2M Base)
Connect each signal cable as shown in the following diagram.
N
ext sta
g
e side
P
revious sta
g
e side
P
revious sta
g
e side
A
tt
ac
h
ed
ha
rn
ess
s
ta
g
e
)
CN28A
BRCN1
CND
RH1162*
CN-1
CN-2
Lane 2-R
Lane 2-F
La
n
e
1-F
CNC
CNB
CN5
CN6
CN2A
TM1
HUB
CH6
BLCN2
BLCN3
BLCN4
R
H11
63
*
CN27A
CN27B
2M baseStand-alone control box
Module 1/2 control box
C
ircuit breaker bracket
Interfaceboard
CN14
CN13
CN29
CN27
BRCN2
BRCN3
(Fixed)
CN-M2
CN-M2CN-M2
RH1152*
RH1067*
RH1062*
RH1063*
RH1067*
RH1066*
RH1064*
RH1058*
RH1059*
RH1153*
R
H1
0
7
0*
CN-M1
NXTSET187Ea
Right side
module cover
RH0528*
RH0584*
RH0583*
RH0070*
Connected
when
shipped
Connected
when
shipped
Connected
when
shipped
Panel loading signal
bracket (Next stage)
Panel loading signal
bracket (Previous stage)
Disconnect RH0067* then
67
7
6
c
onnect RH11
5
2*
R
ear panel loadin
g
A
tt
ac
h
ed
h
a
rn
ess
La
n
e
2-F
RH1127*
H
H
R
H
006
7*
R
H1
0
71*
C
PU
_
BO
X
ETHER
BCBCN5
CPU_BOX
1394 PO
CPU_BOX
CU_NET
ETHER
Control box
BCBCN12
Control box
BCBCN9
Control box
RH0527*
Left side module cover
BCBCN9
CPU_BOX
DI01
CPU_BOX
DI02
Control box
MS1 CN3
MP1PS1
Vacuum pump bracket
Pressure switch
MP1PS2Pressure switch
Y006
GM
Hour meter
C
N-M1
L
ane 1-F
C
N-
C
VIF
C
ontrol box
BC
B
C
N1
R
ear
p
anel
l
oadin
g
C
N
5
Front panel loading
oad
ad
CN2
CN2
s
hi
pp
ed
Panel loading signal
d
d
bracket (Previous stage)
e
e
Panel flow

Table of Contents