EasyManua.ls Logo

FujiFilm NXT - Page 63

FujiFilm NXT
162 pages
Print Icon
To Next Page IconTo Next Page
To Next Page IconTo Next Page
To Previous Page IconTo Previous Page
To Previous Page IconTo Previous Page
Loading...
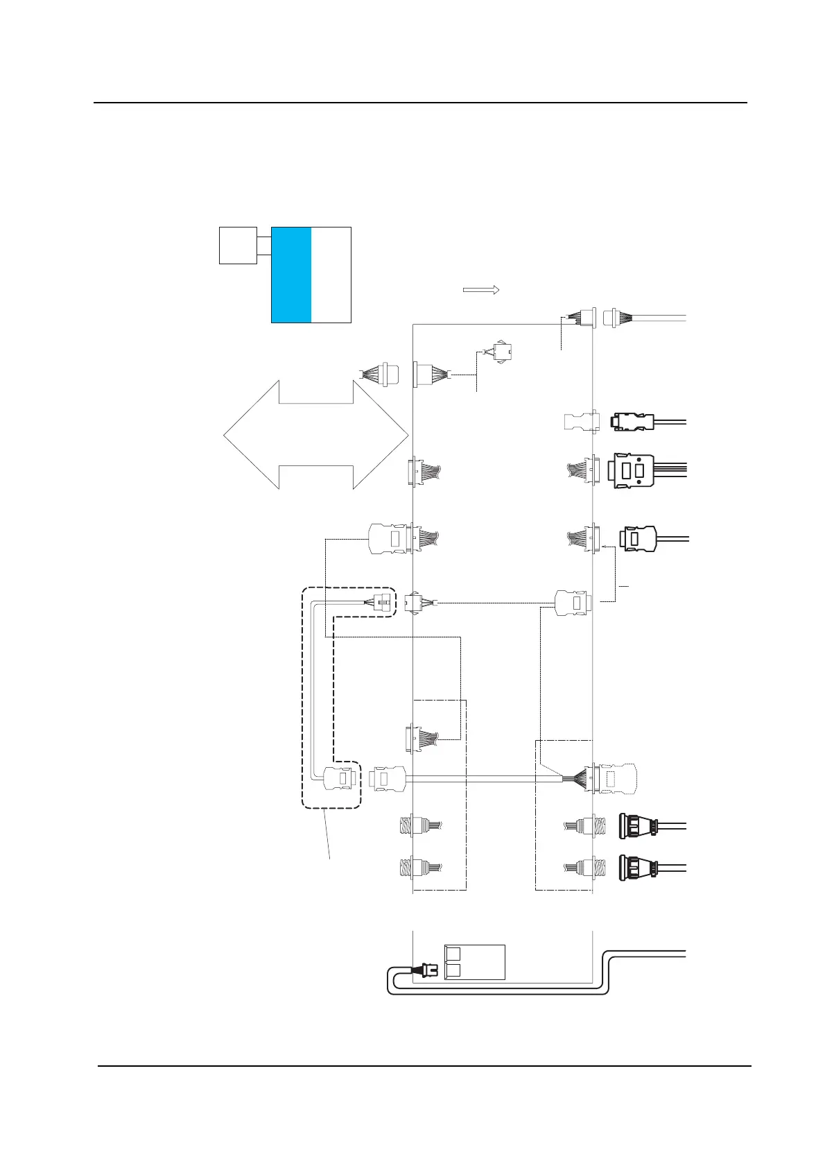
QD002-07 3. Machine Set Up
NXT Setup Manual 55
Signal Cable Connection Diagram
(Stand-alone Control Box - 2M Base - 2M Base)
Connect each signal cable as shown in the following diagram.
Note: Base connection harness AJ457** are shown in bold.
Stand-alone Control - 2M Base - 2M Base
Harness Connection Diagram (1/2)
A
B
C
D
E
F
G
Not necessary
Panel flow
CN28B
CN27A
Left side
module cover
RH0527*
To I/F CN27
BRCN1
BRCN2
BRCN2
BLCN2
BLCN3
BLCN4
BRCN3
(Fixed)
BLCN3
BRCN3
(Cable)
BRCN3
BRCN3
RH1162*
CN-M1
CN-M2
Lane 2-R
Lane 1-R
Lane 2-F
CN-M2CN-M2
Lane 1-F
CN-M2
CN-M2
RH1186*
RH1186*
Circuit breaker bracket
CN-1
RH0562*
CN-2
RH1163*
CN-M2
To I/F CN28
2M base
RH2012*CN28A
RH0558*
RH0559*
RH0560*
Disconnect RH0584*,
then connect RH0559*.
Connected when
the base is used
in the last stage.
Connected when
shipped
RH0070*
For connection to the stand-alone
control box, follow the procedures
described in "Using one 2M Base"
except otherwise specified.
NXTSET188Ea
Panel loading
signal bracket
(Previous stage)
Panel loading
signal bracket
(Next stage)

Table of Contents