EasyManua.ls Logo

GE Multilin 850 - Output Relay 1 (F1) Trip

GE Multilin 850
616 pages
Print Icon
To Next Page IconTo Next Page
To Next Page IconTo Next Page
To Previous Page IconTo Previous Page
To Previous Page IconTo Previous Page
Loading...
4–100 850 FEEDER PROTECTION SYSTEM – INSTRUCTION MANUAL
OUTPUTS CHAPTER 4: SETPOINTS
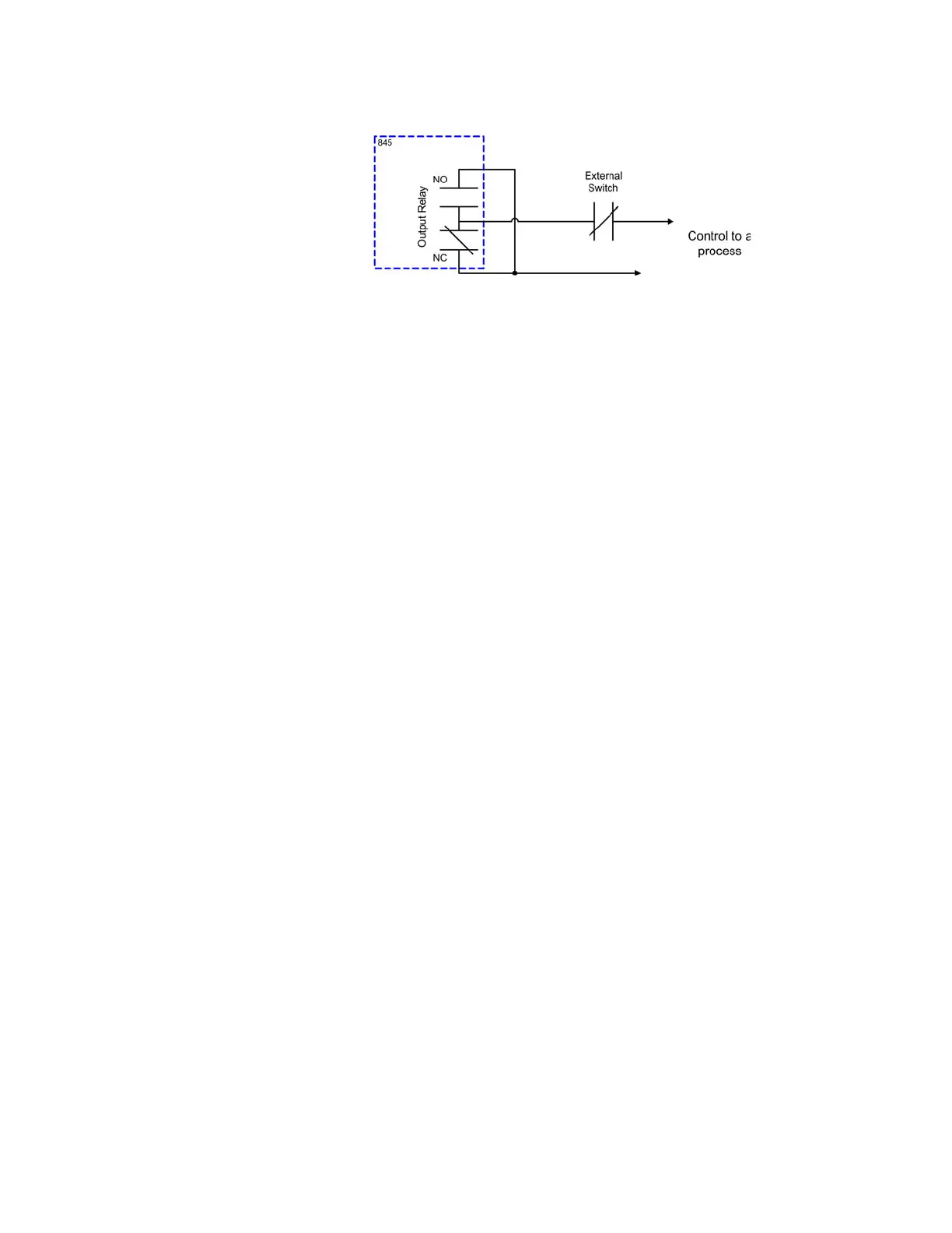
Figure 4-35: Maintaining an uninterrupted process upon a relay Major Error
If the output relay is energized during the In-Service relay condition, the NO contact will be
closed, and the NC contact will be open. The process is running. If the relay goes into “Out-
of-Service” mode, the output relay will be de-energized, and the process will still be
running, as the NC contact will be closed. An external switch, or stop pushbutton must be
installed in series to the relay output contacts, so that one can stop the process if needed.
Output Relay 1 (F1)
Trip
Path: Setpoints > Outputs > Output Relays > Trip
NAME
Range: Up to 13 alphanumeric characters
Default: Trip
The setpoint is used to name the Trip relay by selecting up to 13 alphanumeric
characters.
SEAL-IN TIME (displayed only if Type=Pulsed)
Range: 0.00 to 9.99 s in steps of 0.01 s
Default: 0.10 s
This setting defines the time to be added to the Reset time of Relay 1 “Trip” output, thus
extending its pulse width. This is useful for those applications where the 52 contacts
reporting the breaker state are faster than the 52 contacts that are responsible for
interrupting the coil current.
BLOCK
Range: Disabled, Any FlexLogic operand
Default: Disabled
This setting defines a Block to the Trip output relay. When the selected input is asserted,
the Trip output relay is blocked.
TYPE
Range: Self-Reset, Latched, Pulsed
Default: Latched
This setting defines the sequence type of the Trip output relay. The functionality is
described in the Outputs > Output Relays > Trip and Close Relays section.
OPERATION
Range: Non-Failsafe, Failsafe
Default: Non-Failsafe
Failsafe operation causes the output relay to be energized when the Trip condition
signal is low and de-energized when the same signal is high. A failsafe relay also
changes state (if not already activated by an operand driving this output relay) when
control power is removed from the 850. Conversely a non-failsafe relay is de-energized
in its normal non-activated state and will not change state when control power is
removed from the 850 (if not already activated by a protection element).
EVENTS
Range: Disabled, Enabled
Default: Enabled

Table of Contents

Related product manuals