EasyManua.ls Logo

GE Multilin 850 - Page 263

GE Multilin 850
616 pages
Print Icon
To Next Page IconTo Next Page
To Next Page IconTo Next Page
To Previous Page IconTo Previous Page
To Previous Page IconTo Previous Page
Loading...
CHAPTER 4: SETPOINTS PROTECTION
850 FEEDER PROTECTION SYSTEM – INSTRUCTION MANUAL 4–131
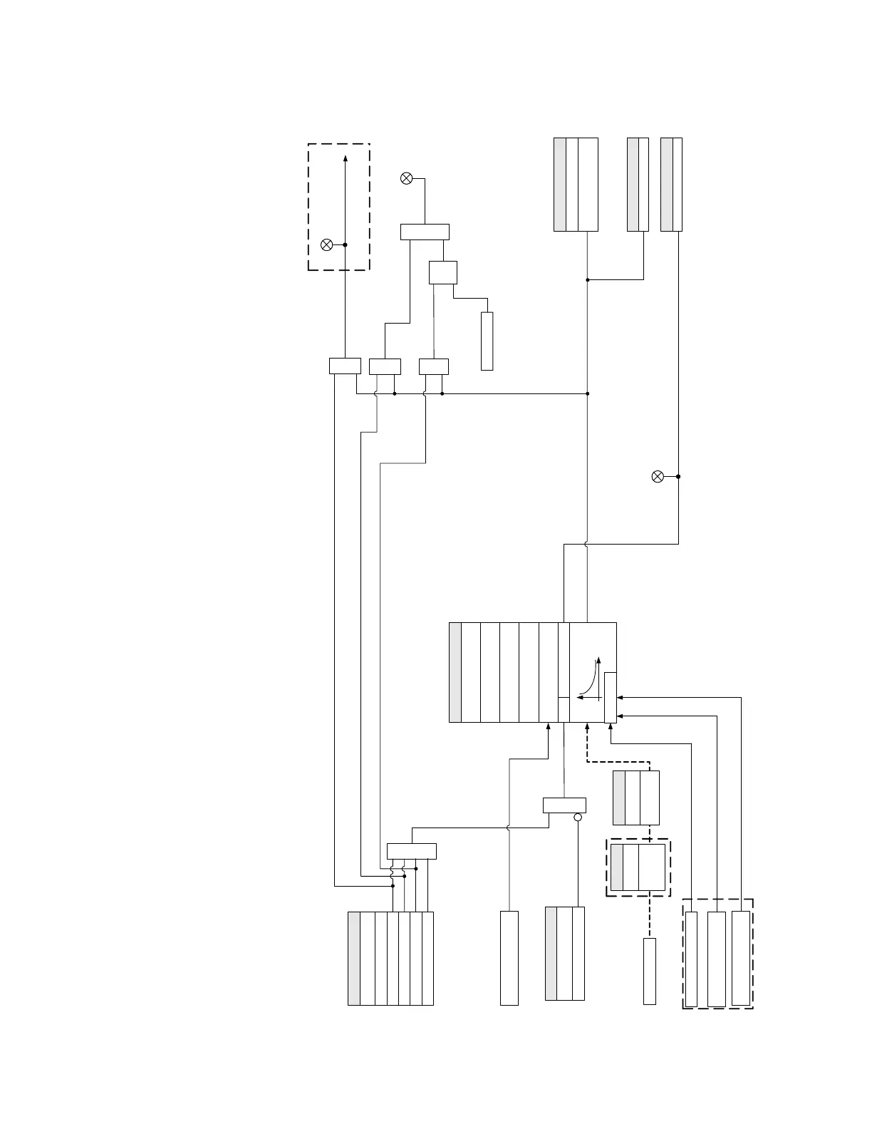
Figure 4-48: Neutral Time Overcurrent Protection logic diagram
894035A3.cdr
SETPOINTS
RUN
SETPOINTS
FUNCTION:
Disabled = 0
Trip
PICKUP:
CURVE:
TDM:
In > PICKUP
AND
Operate Output Relay 1 (TRIP)
LED: PICKUP
LED: TRIP
Alarm
OR
OR
Adjust PKP
AND
Latched Alarm
AND
RESET:
Neutral current (In)
Calculated as a sum of
phase currents
SETPOINTS
BLOCK:
Off = 0
From Autoreclose
(per shot settings)
From Cold Load Pickup
LED: ALARM
RESET
Command
AND
S
R
LATCH
SETPOINTS
Do Not Operate, Operate
OUTPUT RELAYS
SETPOINTS
INPUT:
Phasor, RMS
Configurable
Ntrl TOC 1 PKP
FLEXLOGIC OPERANDS
Ntrl TOC 1 OP
FLEXLOGIC OPERANDS
DIRECTION:
Direction (from Neutral
Directional OC element)
Set
Dominant
From Manual Close
Blocking
SETPOINTS
SIGNAL
INPUT:
CT Bank 1
J1
USED ONLY IN
850
USED ONLY IN 845
/
889
CONFIGURABLE IN
845

Table of Contents

Related product manuals