EasyManua.ls Logo

GE Multilin 850 - Page 454

GE Multilin 850
616 pages
Print Icon
To Next Page IconTo Next Page
To Next Page IconTo Next Page
To Previous Page IconTo Previous Page
To Previous Page IconTo Previous Page
Loading...
4–322 850 FEEDER PROTECTION SYSTEM – INSTRUCTION MANUAL
CONTROL CHAPTER 4: SETPOINTS
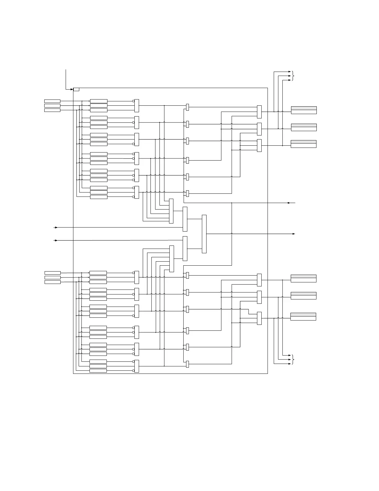
Figure 4-144: Contact based Pole Discordance detection logic (B)
894183A1.cdr
AND
FLEXLOGIC OPERAND
PD1-A Fail to Cls
Ph C Closed
Ph B Closed
Ph A Closed
AND
FLEXLOGIC OPERAND
PD1-B Fail to Cls
Ph C Closed
Ph B Closed
Ph A Closed
AND
FLEXLOGIC OPERAND
PD1-C Fail to Cls
Ph C Closed
Ph B Closed
Ph A Closed
AND
Ph C Open
Ph B Open
Ph A Open
AND
Ph C Open
Ph B Open
Ph A Open
AND
Ph C Open
Ph B Open
Ph A Open
AND
Ph C Closed
Ph B Closed
Ph A Closed
AND
Ph C Closed
Ph B Closed
Ph A Closed
AND
Ph C Closed
Ph B Closed
Ph A Closed
AND AND AND
Ph C Open
Ph B Open
Ph A Open
Ph C Open
Ph B Open
Ph A Open
Ph C Open
Ph B Open
Ph A Open
OR
RUN
Ph A pole (52a)
Ph B pole (52a)
Ph C pole (52a)
Contact Inputs
Breaker auxiliary
contact outputs
Ph A pole ( 52b)
Ph B pole (52b)
Ph C pole (52b)
Contact Inputs
Breaker auxiliary
contact outputs
AND AND
AND
AND AND AND
AND AND AND AND AND AND
AND
OR
Check for open
poles
Check for closed
poles
BRK Trip Trigger
BRK Close Trigger
From Pole Discordance
Detection - Main logic
(A)
AND
OR
To Pole Discordance
detection - main logic
()
OR OR OR
FLEXLOGIC OPERAND
PD1-A Fail to Open
FLEXLOGIC OPERAND
PD1-B Fail to Open
FLEXLOGIC OPERAND
PD1-C Fail to Open
OR OR OR
From Pole
Discordance
detection-main logic
(A)
To Pole Discordance:
Breaker pole Failure
operands (D )
To Pole Discordance:
Breaker pole Failure
operands (D )
Contact Based PD Pickup
Pole Discordance operation From Pole Discordance
detection - main logic
(A)
A

Table of Contents

Related product manuals