EasyManua.ls Logo

GE Multilin 850 - Page 481

GE Multilin 850
616 pages
Print Icon
To Next Page IconTo Next Page
To Next Page IconTo Next Page
To Previous Page IconTo Previous Page
To Previous Page IconTo Previous Page
Loading...
CHAPTER 4: SETPOINTS CONTROL
850 FEEDER PROTECTION SYSTEM – INSTRUCTION MANUAL 4–349
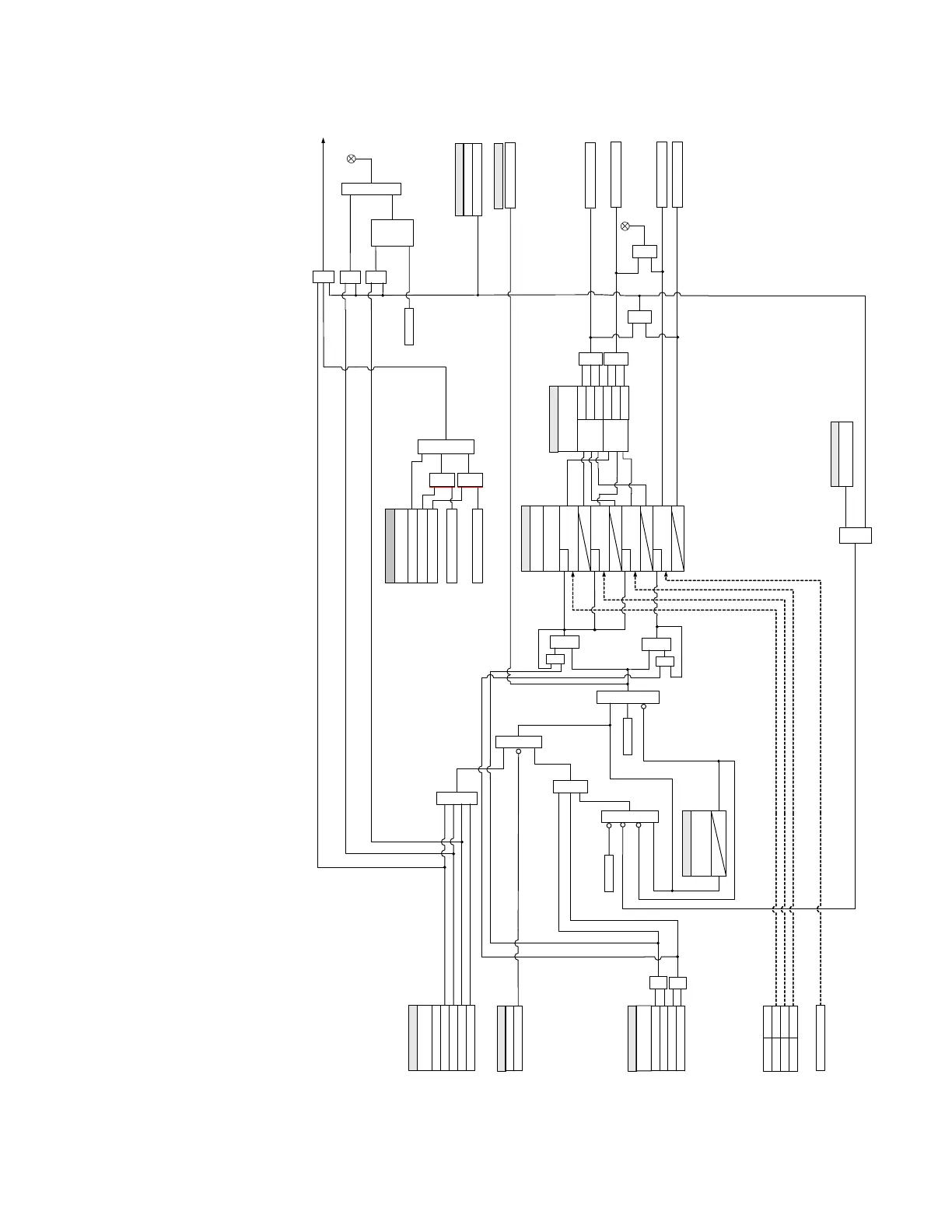
Figure 4-154: Undervoltage Restoration logic diagram
894069A3.cdr
LED: PICKUP
SETPOINTS
FUNCTION:
OR
t
PKP
0
Ph UV Restore OP
AND AND
Command
RESET
OR
LED: ALARM
SETPOINTS
BLOCK:
Off=0
AND
OR
OR
AND
AND
Command
RESET
SETPOINTS
INCOMPLETE
SEQUENCE TIME:
t
IST
0
Status Input
BKR 1 Open
Bus voltage Inputs
Line voltage input
WYE DELTA
VA (VAB) VA B
VB (VBC)
VBC
VC (VCA) VCA
Vx
SETPOINTS
UV RESTORE
MINIMUM VOLTAGE:
VA(VAB)
MINIMUM
RUN
UV RESTORE
RESTORE DELAY:
AND
t
PKP
0
VB(VBC)
MINIMUM
RUN
t
PKP
0
VC(VCA)
MINIMUM
RUN
t
PKP
0
Vx
MINIMUM
RUN
AND
SETPOINTS
UV RESTORE
PHASES FOR
OPERATION:
OPERATE:
ANY ONE
ALL
THREE
ANY TWO
PICKUP:
ANY ONE
ALL
THREE
ANY TWO
OR
Ph UV Restore PKP
Aux UV Restore OP
FlexLogic Operands
S
LATCH
Set-
Dominant
R
SETPOINTS
Phase UV 1 OP
Phase UV 2 OP
Aux UV 1 OP
Aux UV 2 OP
OR
OR
Aux UV Restore PKP
OR
OR
Disabled
Alarm
Latched Alarm
Configurable
Close
AND
INITIATION:
OR
OR
SETPOINTS
OUTPUT RELAYS (3 -7):
Do Not Operate, Operate
UV Restore Init
AND
from BKR1 Status
FlexLogic Operand
BKR 1 Closed
FlexLogic Operand
BKR 1 Closed
The Voltage Input is the same as the one used for UV element
programmed under
³
UF Restore initiation
´
to BKR1 Close Relay
Select output relay
SETPOINT
SYNCHROCHECK
SUPERVISION:
Bypass
Sync1 Close Perm
Sync1 Close Perm
From Synchrocheck 1
ANDAND
OR
Sync2 Close Perm
From Synchrocheck 2
ANDAND
Sync2 Close Perm

Table of Contents

Related product manuals