EasyManua.ls Logo

Generac Power Systems DF Ecology DUST FIGHTER 7500

Generac Power Systems DF Ecology DUST FIGHTER 7500
67 pages
To Next Page IconTo Next Page
To Next Page IconTo Next Page
To Previous Page IconTo Previous Page
To Previous Page IconTo Previous Page
Loading...
DF 7500
56
TL099-01-00-15
26-03-2015
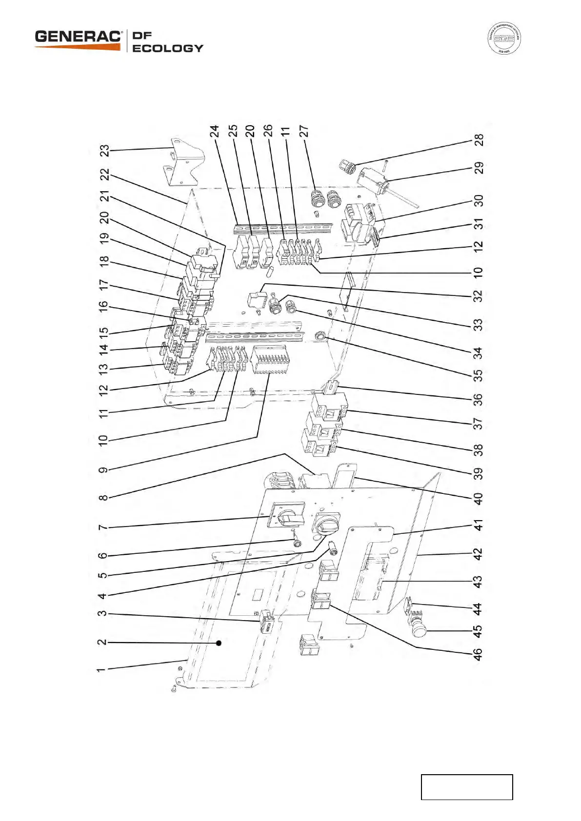
19.9 PANNEAU DE COMMANDES – CONTROL PANEL

Table of Contents