EasyManua.ls Logo

Generac Power Systems DF Ecology DUST FIGHTER 7500

Generac Power Systems DF Ecology DUST FIGHTER 7500
67 pages
To Next Page IconTo Next Page
To Next Page IconTo Next Page
To Previous Page IconTo Previous Page
To Previous Page IconTo Previous Page
Loading...
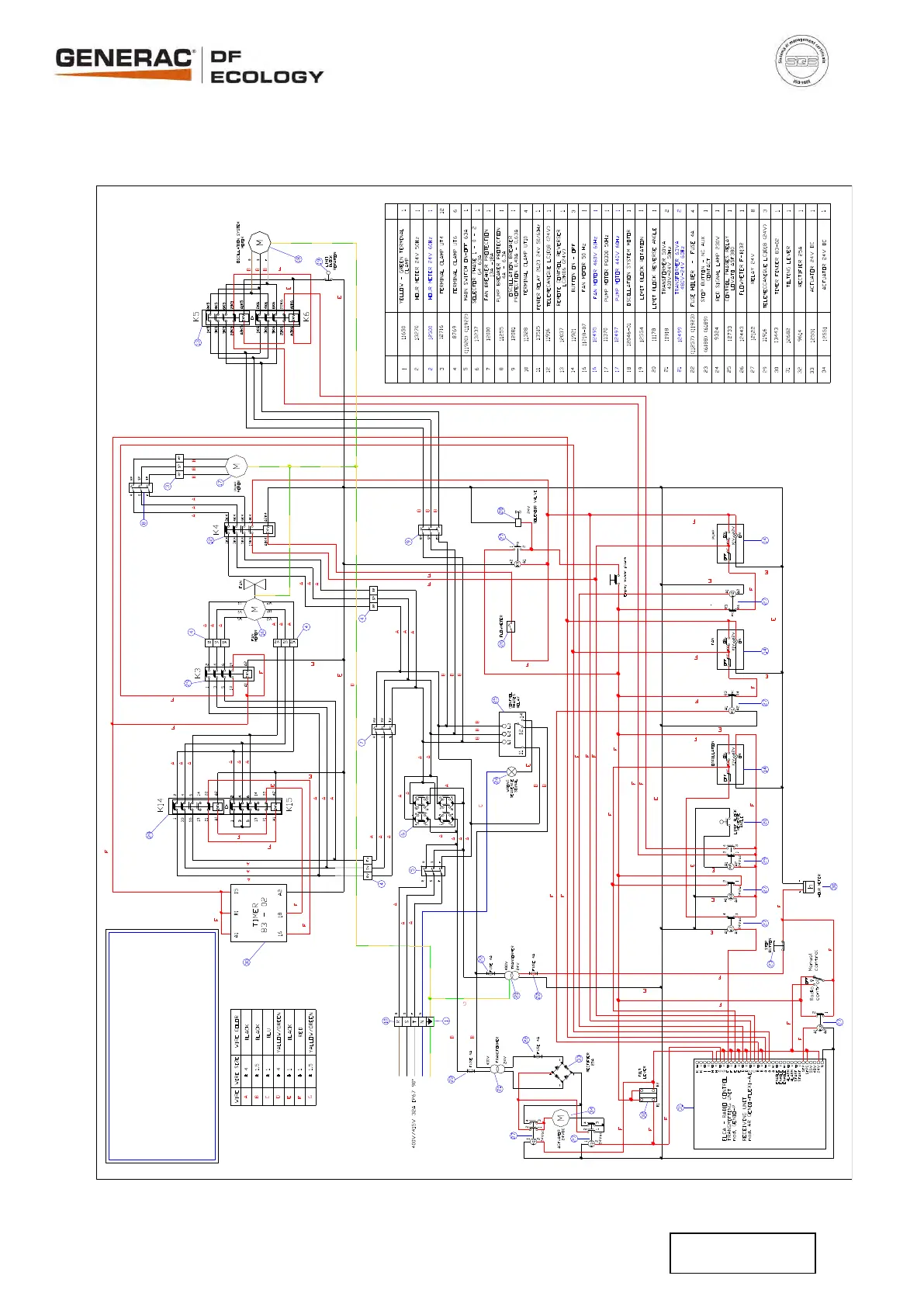
DF 7500
66
TL099-01-00-15
26-03-2015
20.5 VERSION PIVOTEMENT AUTOMATIQUE AVEC INCLINAISON ELECTRIQUE ET
RADIOCOMMANDE – AUTOMATIC OSCILLATION SYSTEM WITH RADIO CONTROL
AND ELECTRICAL TILTING VERSION
DF7500 AUTOMATIC
OSCILLATION SYSTEM FROM
RADIO CONTROL WITH
ELECTRICAL TILTING
ITEM NO.
PART NUMBER
DESCRIPTION Q.TY
30/10/2014

Table of Contents