EasyManua.ls Logo

Generac Power Systems DF Ecology DUST FIGHTER 7500

Generac Power Systems DF Ecology DUST FIGHTER 7500
67 pages
To Next Page IconTo Next Page
To Next Page IconTo Next Page
To Previous Page IconTo Previous Page
To Previous Page IconTo Previous Page
Loading...
DF 7500
64
TL099-01-00-15
26-03-2015
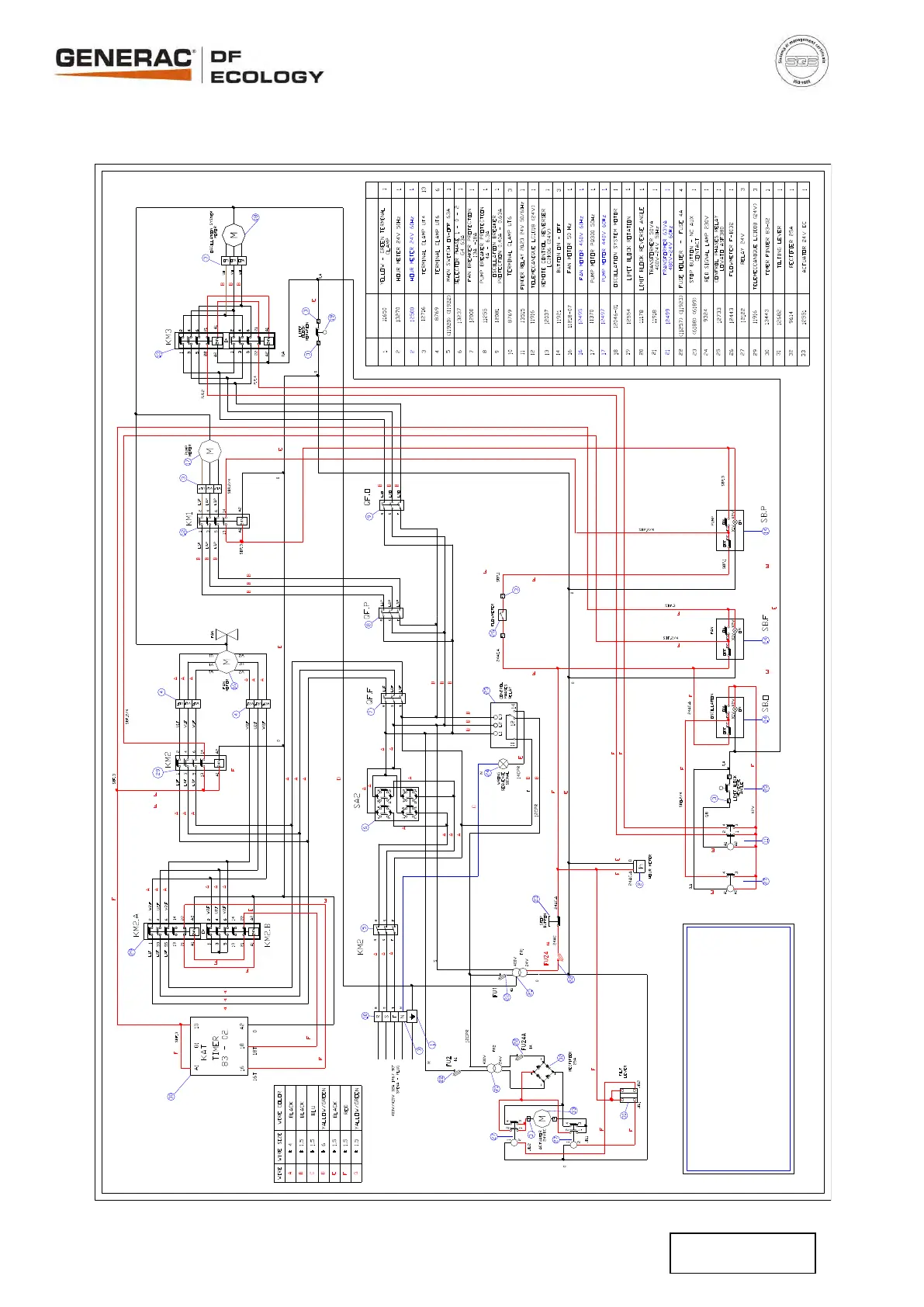
20.3 VERSION PIVOTEMENT AUTOMATIQUE AVEC INCLINAISON ELECTRIQUE –
AUTOMATIC OSCILLATION SYSTEM AND ELECTRICAL TILTING VERSION
DF7500 AUTOMATIC
OSCILLATION SYSTEM WITH
ELECTRICAL TILTING
ITEM NO.
PART NUMBER
DESCRIPTION Q.TY
30/10/2014

Table of Contents