EasyManua.ls Logo

Generac Power Systems DF Ecology DUST FIGHTER 7500

Generac Power Systems DF Ecology DUST FIGHTER 7500
67 pages
To Next Page IconTo Next Page
To Next Page IconTo Next Page
To Previous Page IconTo Previous Page
To Previous Page IconTo Previous Page
Loading...
DF 7500
65
TL099-01-00-15
26-03-2015
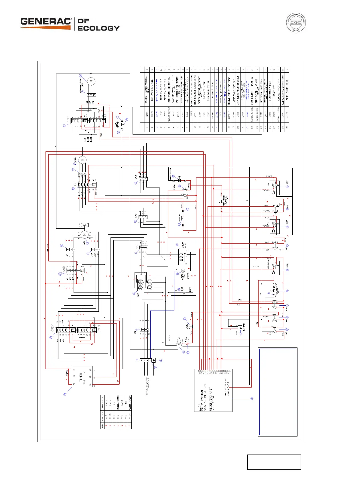
20.4 VERSION AVEC PIVOTEMENT AUTOMATIQUE ET RADIOCOMMANDE – AUTOMATIC
OSCILLATION SYSTEM WITH RADIO CONTROL
DF 7500 AUTOMATIC
OSCILLATION SYSTEM FROM
RADIO CONTROL
ITEM NO.
PART NUMBER
DESCRIPTION Q.TY
30/10/2014

Table of Contents