EasyManua.ls Logo

Generac Power Systems DF Ecology DUST FIGHTER 7500

Generac Power Systems DF Ecology DUST FIGHTER 7500
67 pages
To Next Page IconTo Next Page
To Next Page IconTo Next Page
To Previous Page IconTo Previous Page
To Previous Page IconTo Previous Page
Loading...
DF 7500
62
TL099-01-00-15
26-03-2015
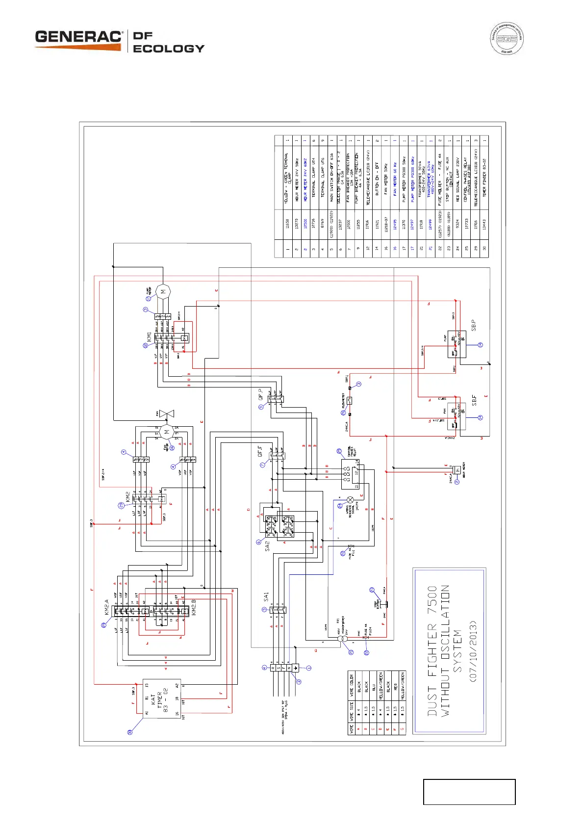
20. SCHEMA ELECTRIQUE – WIRING DIAGRAM
20.1 VERSION SANS PIVOTEMENT AUTOMATIQUE – WITHOUT AUTOMATIC OSCILLATION
SYSTEM VERSION
ITEM NO.
PART NUMBER
DESCRIPTION Q.TY

Table of Contents