Home
Generex
UPS
CS121L
Page 112
Generex CS121L - Page 112
166 pages
Manual
Save Page as PDF
To Next Page
To Next Page
To Previous Page
To Previous Page
Loading...
110
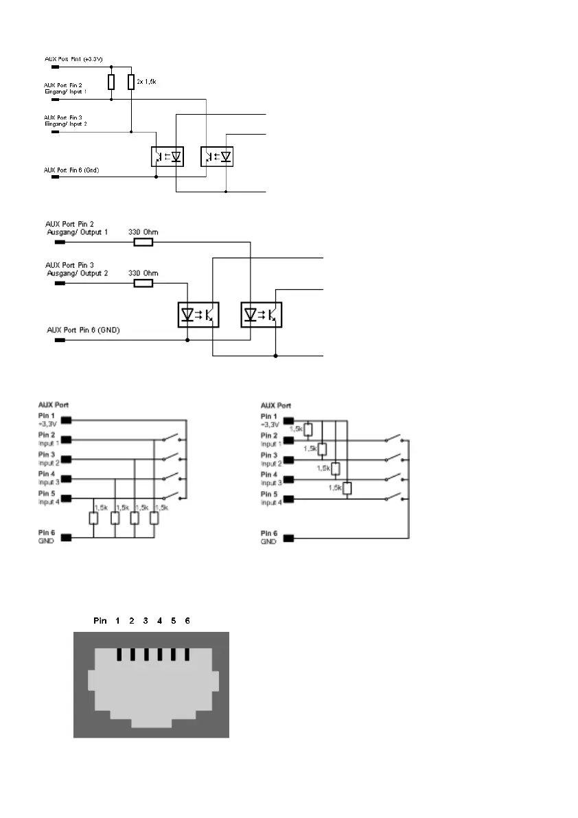
Figure 144:
Opto coupler logic
Figure 145:
Ex
am
ple (Outpu
ts)
Figure 146:
Ex
am
ples: AUX
Input on hard
ware model CS13
1 only, left
side
“pull
-
down”, righ
t side “pull
-
up” co
nfigurati
on
Figure 147:
AUX Port Assignment
111
113
Table of Contents
Main Page
Table of Contents
5
English Manual
4
Table of Contents
5
1 The CS121 Family - Introduction
8
About Your CS121
8
General Information
8
CS121 Device Type Overview
8
Scope of Delivery
10
Functional Overview of the CS121
10
Functionalities of Your CS121
12
The Communication with the CS121-Adapter
13
Figure 1: CS121 into a Network Environment
13
CS121 Overview of the Connections and Leds
14
Figure 2: Connections of the CS121
14
Figure 3: CS121L (Left) in Configuration Mode (IP 10.10.10.10) and CS121SC (Right) in Normal Mode
15
2 Quickstart
16
3 Initial Operation of the CS121
16
Connect Your CS121
16
Via LAN
17
Via Serial Port
17
Verifying the CS121 Connectivity
17
Setup of the Basic Network Configuration
18
DHCP - Obtain an IP Address Automatically
18
Establishment of a Static CS121 IP Address Manually (Default Delivery State)
18
Figure 4: Connection PC-Switch/Hub and CS121 (2) Connection PC-Cross Cable/Network Cable and CS121
18
Using Http/Webbrowser
19
Figure 5: HTTP - Administrator Login
19
Configuration Using Telnet / MS-Hyperterminal
20
Figure 6: HTTP - UPS Model & System Settings
20
Figure 7: HTTP - Network & Security Settings
20
Main Menu & IP-Settings
21
Figure 8: Telnet - Main Menu
21
Figure 9: Telnet - IP Settings
21
UPS Settings
22
Figure 10: Telnet - UPS Settings
22
Saving Configuration
23
CS121 Restart and Boot Procedure
23
Figure 11: HTTP - Adapter Reboot Dialog
23
4 Configuration of the CS121
24
CS121 Menu System & Network Status
24
Figure 12: HTTP - System & Network Status
24
Figure 13: HTTP - UPS Status
24
CS121 Menu "Configuration
25
Saving Data
25
Figure 14: HTTP - UPS Functions for AEG UPS
25
Figure 15: HTTP - AUX & Sensorman Status
25
UPS Model & System
26
Figure 16: HTTP - UPS Model & System
26
Network & Security
27
Figure 17: HTTP - Network & Security Settings
27
The CS121 with DHCP Utilization
28
The CS121 with ICMP Check
29
Function Hide of HTTP Links
29
Configuration Static ARP Entries
29
Figure 18: HTTP - Network & Security DHCP Settings
29
Figure 19: HTTP - Network & Security ICMP Check
29
Figure 20: HTTP - Network & Security Hide HTTP Links
29
Email
30
Figure 21: HTTP - Network & Security ARP Settings
30
Figure 22: HTTP - Email Settings
30
Email Trap
31
Email Trap Configuration
32
Figure 23: CS121 Email Settings
32
Figure 24: UNMS II Screen with Timestamp of the Latest Measuring Values Update
32
Timeserver
33
Figure 25: UNMS Email Trap Settings
33
Figure 26: HTTP - Timeserver Settings
34
Language
35
Figure 27: Language Configuration
35
Events / Alarms
36
Figure 28: IE8 Internet Options - Languages
36
Figure 29: HTTP - Event Configuration with Tool Tip
36
Threshold Events
37
Figure 30: HTTP - Event Editor
37
Figure 31: HTTP - Event Editor, Example of a Shutdown-Configuration
37
Logfile Entries
38
Figure 32: HTTP - Threshold Event
38
Figure 33: HTTP - COM2 Threshold Events SM_T_COM
38
Email-Job
39
Email-To-SMS
39
Figure 34: HTTP - Job Editor: Logfile Entry
39
Figure 35: HTTP - Job Editor: Email-Job
39
Figure 36: HTTP - Job Editor: Continuous Event Job
39
AUX-Port
40
Figure 37: HTTP - Job Editor: Switch AUX-Port
40
Snmp
41
Figure 38: HTTP - SNMP Settings
41
Figure 39: HTTP - SNMP Algorithms
42
Com2 & Aux
44
Com2
44
Figure 40: HTTP - COM2 Mode Overview
45
Figure 41: Pipe Thru Installation
45
Figure 42: HTTP - COM2 & AUX with TEMPMAN
46
AUX and SITESWITCH4 Settings
47
Sensormanager
48
Figure 43: HTTP - Sensor Manager Settings
48
RAS Configuration
49
Scheduled Actions
49
Figure 44: HTTP - RAS Manager Settings
49
Figure 45: HTTP - Scheduled Actions
49
Save Configuration / Reboot
50
Reading the Logfiles
50
Figure 46: HTTP - CS121 Datalog
52
Figure 47: HTTP - CS121 Externaldevicelog
53
Figure 48: HTTP - CS121 UPS Events
53
Rccmd
54
RCCMD Jobs
54
RCCMD Traps
54
Figure 49: HTTP - Job Editor: RCCMD Trap, Event « Power Restored
55
Figure 50: HTTP - Job Editor: RCCMD TRAP
55
Figure 51: HTTP - Job Editor: RCCMD Shutdown
57
Figure 52: HTTP - Event Configuration
58
Figure 53: HTTP - Event Editor
58
Figure 54: HTTP - Job Editor
58
RCCMD Shutdown
59
Figure 55: HTTP - Job Editor / Function
59
Figure 56: HTTP - CS121 Configuration Manager
59
Figure 57: HTTP - Event Editor / Test
60
Figure 58: HTTP - Job Test Page
60
Figure 59: HTTP - Alarmlog
60
Figure 60: HTTP - Job Editor RCCMD WAKEUP
61
Figure 61: HTTP - Job Editor RCCMD WAKEUP
61
Automatic Reset of the Redundancy Alarm
62
Figure 62: HTTP - Job Editor: RCCMD Execute/Command
62
Figure 63: HTTP - Enable RCCMD Listener
62
RCCMD Message
63
Figure 64: HTTP - Job Editor: RCCMD-Command
63
RCCMD Execute/Command
64
Example of Use 1: CS121-Adapter as RCCMD-Listener
64
Example of Use 2: CS121-Adapter Switches an Output
64
Figure 65: HTTP - Job Editor: Shutdown UPS-Job
64
Figure 66: HTTP - Job Editor: Wake on LAN
65
Figure 67: HTTP - Scheduled Actions
65
UPS Shutdown
66
Wake on LAN (WOL)
66
Figure 68: HTTP - Status Page Socomec Transfer Switch
66
Figure 69: HTTP - Status Page Eaton Transfer Switch
66
Scheduled Actions
67
CS121 for Transfer Switches
67
Figure 70: HTTP - Firmware Update Page
67
Figure 71: CS121-Configuration Manager
68
5 Adapter Software Updates (Firmware)
69
Firmwareupdate Via Setup-Tool
69
Firmwareupdate Via FTP
69
Figure 72: CS121-FTP Access
69
Figure 73: CS121-FTP Context Menu
69
Figure 74: CS121-FTP Folders
69
Firmware Flash Renewal and Recovery
70
How to Get the "Upsman.cfg" from a CS121 to Your Computer Via FTP
70
Figure 75: CS121-FTP Upsman.cfg
70
6 Additional Software
73
Rccmd
73
RCCMD with SSL for Windows
73
RCCMD with Own SSL Certificates
75
RCCMD Client as Relay Station
75
License Regulations
76
Jchart
76
Gchart
78
UPS Monitor (UPSMON)
80
7 CS121-Enhancements, Field of Applications
81
Siteswitch4 (SS4) and Siteswitch4Aux (SS4AUX)
81
SS4 Feature Overview
82
SS4 Contents
82
SS4 Installation
82
SS4 - Technical Data
83
Sensor SM_T_COM
83
SM_T_COM Configuration
84
Sensormanager & Sensormanager
86
General Information
86
Installation and Network Integration
87
Special Features of Thesensormananager II
90
Configuration
91
Alarm Matrix of the SENSORMANAGER II
92
Rasmanager
93
GSM Modem - Notification Via SMS
94
LED-Matrix Display
96
Modbus/Profibus/Lonbus
97
UNMS (UPS-Network Management System)
98
8 Troubleshooting - FAQ
99
Solutions
99
CS121 - Technical Data
108
Appendix
108
CE- and UL-Certification
109
Cable and Circuit Board Configuration, Pin/Aux-Ports, Sensorman
109
CS121 WDP - Watchdog & Powermanager
113
MODBUS Interface
114
General Information
114
Available Modbus Function Codes
115
Exception Codes
115
MODBUS Modes in the CS121 M (ASCII and RTU)
116
UPS Parameter
117
E.6. UPSMAN Status Bytes - Standard Device Status Bits
140
E.7. Bus Termination
141
E.8. Configuration
142
E.10. MODBUS Cables
143
G. Pin Layout of Input-Sockets of the SENSORMANAGER Unit
144
I. Description of the Alarms for Single-Phase UPS
149
L. RARITAN Dominion PDU Configuration
160
Table of Figures
163
Related product manuals
Generex CS121BL
141 pages
Generex CS121BSC
141 pages