EasyManua.ls Logo

Graco QUANTM i30 - Dimensions; Model Dimensions

Graco QUANTM i30
54 pages
Print Icon
To Next Page IconTo Next Page
To Next Page IconTo Next Page
To Previous Page IconTo Previous Page
To Previous Page IconTo Previous Page
Loading...
Dimensions
44 3A8572B
Dimensions
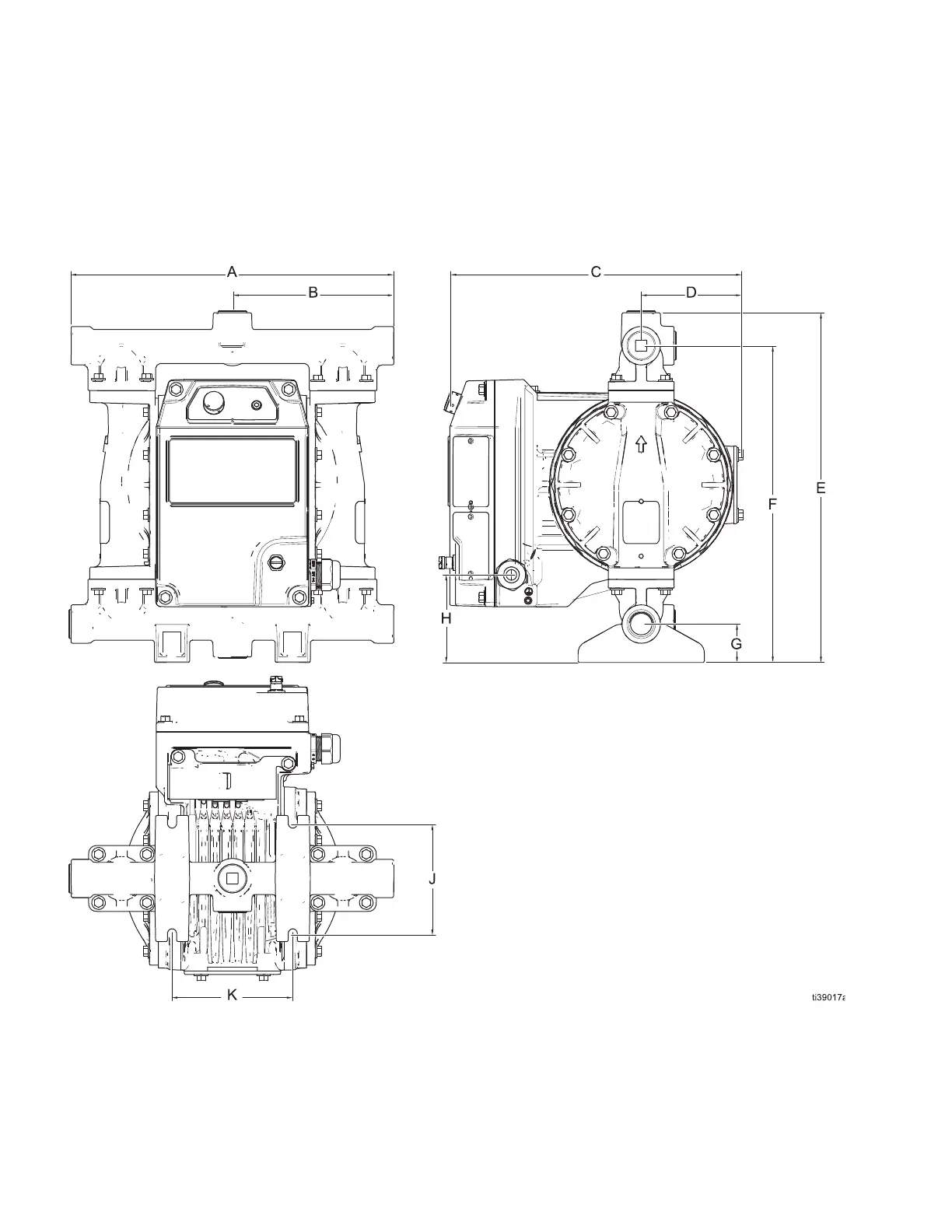
Dimensions for i30 (QTC) Models
FIG. 21: i30 (QTC) Model Dimensions

Table of Contents

Related product manuals