EasyManua.ls Logo

Graco QUANTM i30 - Dimensions for I120 (QTE) Models

Graco QUANTM i30
54 pages
Print Icon
To Next Page IconTo Next Page
To Next Page IconTo Next Page
To Previous Page IconTo Previous Page
To Previous Page IconTo Previous Page
Loading...
Dimensions
48 3A8572B
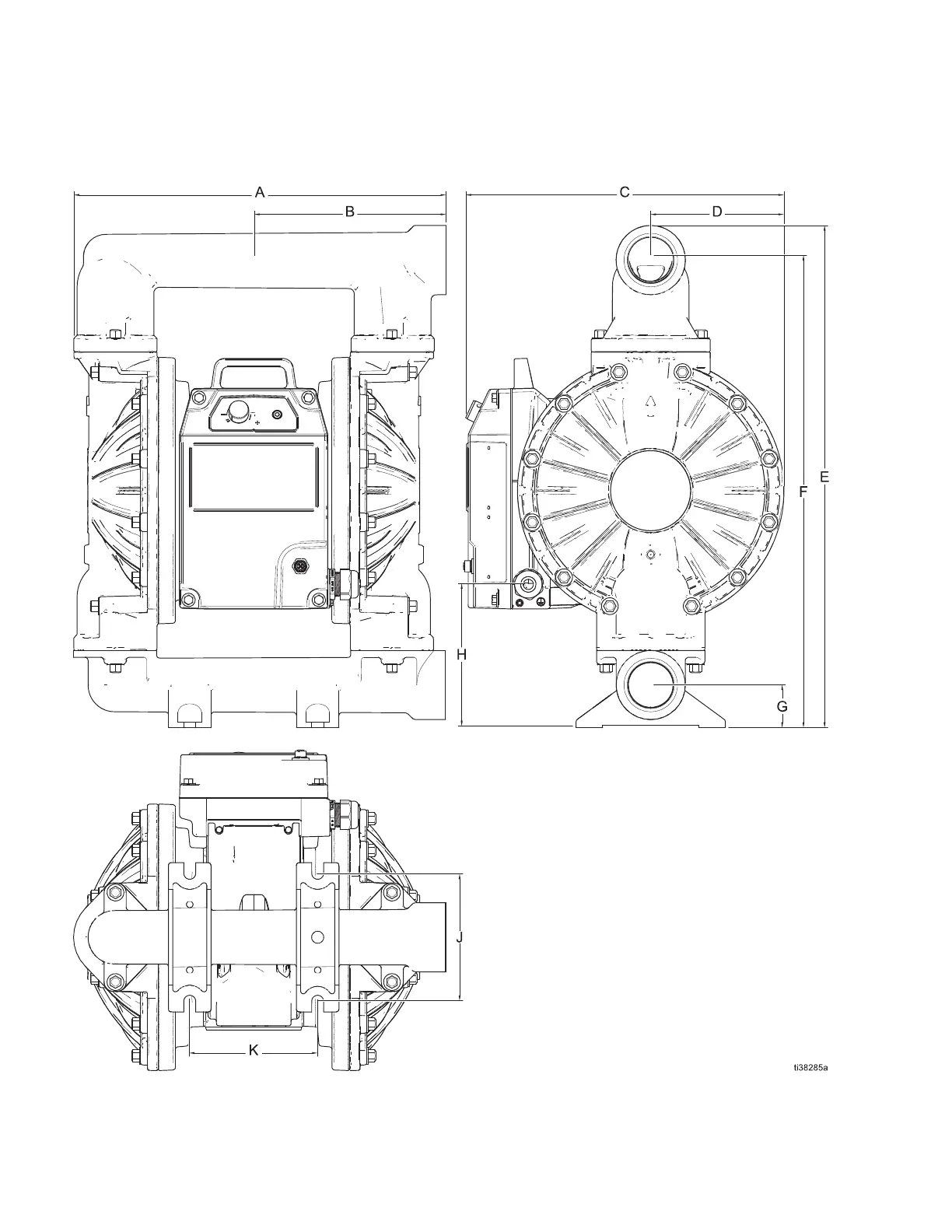
Dimensions for i120 (QTE) Models
FIG. 23: i120 (QTE) Model Dimensions

Table of Contents

Related product manuals