EasyManua.ls Logo

HBM Spider8 - Page 22

HBM Spider8
132 pages
Print Icon
To Next Page IconTo Next Page
To Next Page IconTo Next Page
To Previous Page IconTo Previous Page
To Previous Page IconTo Previous Page
Loading...
A-10
Introduction
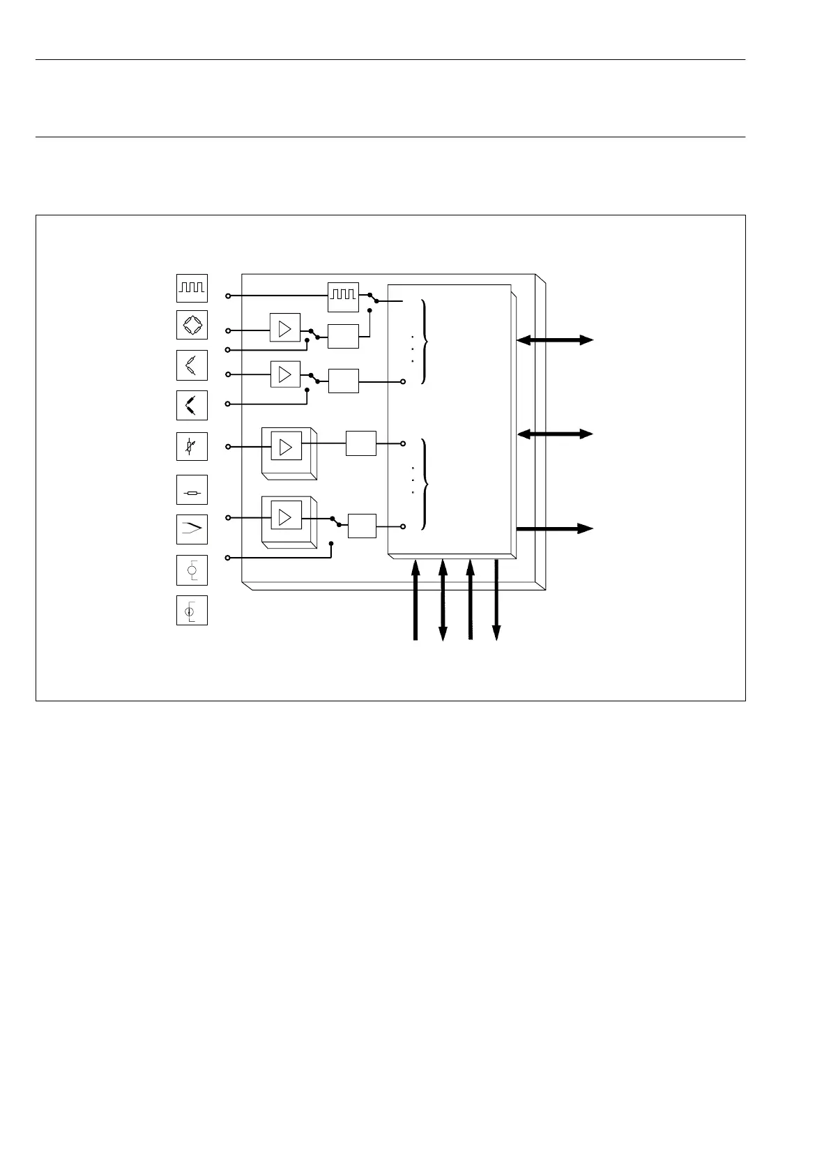
Spider8
4 channels of
the basic
device
up to 4
expansion
modules
SR55
SR01
4,8kHz
4,8kHz
DC
4,8kHz
0
RS-232C
PC Printerport
To next Spider8 or to
printer
8 inputs
8 I/Os
Trigger
3 status signals
CPU
A/D
A/D
A/D
A/D
"10V
"10V
"10V
A/D
+
+
U
I
ϑ
1
2
3
4
7
Fig. A 1: Diagrammatic view of measurement signal processing in a Spider8

Related product manuals