EasyManua.ls Logo

HBM Spider8 - Page 23

HBM Spider8
132 pages
Print Icon
To Next Page IconTo Next Page
To Next Page IconTo Next Page
To Previous Page IconTo Previous Page
To Previous Page IconTo Previous Page
Loading...
A-11
Introduction
Spider8
up to 4
expansion
modules
SR30
SR01
600 Hz
600Hz
DC
0
RS-232C
PC Printerport
8 inputs
8 I/Os
Trigger
3 status signals
CPU
A/D
A/D
A/D
"10V
"10V
+
U
ϑ
+
I
4 channels of
the basic
device
To next Spider8 or
to printer
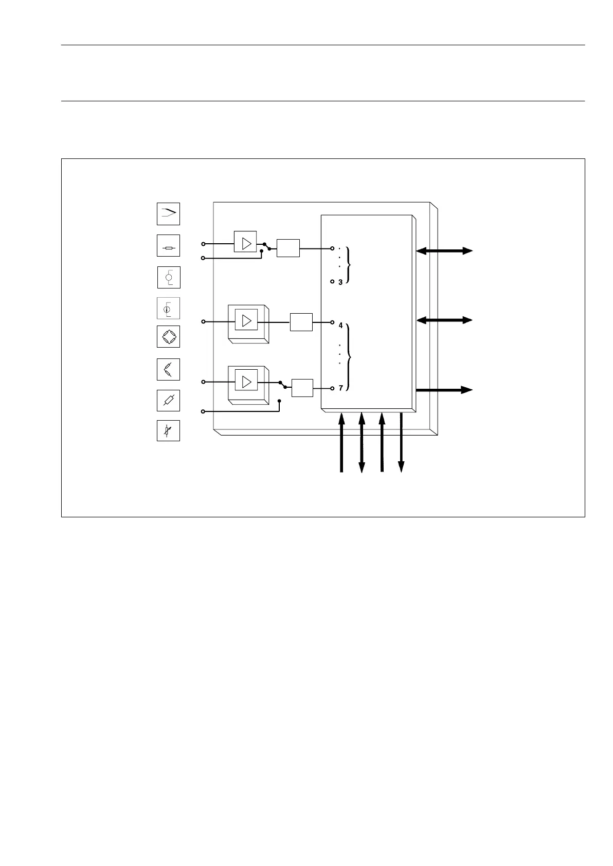
Fig. A 2: Diagrammatic view of measurement signal processing in a Spider8-30

Related product manuals